User manual

72
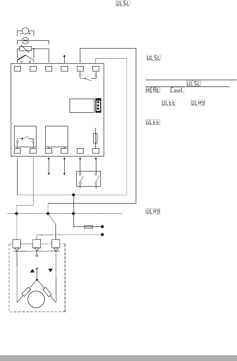
Motorized Valve Control
Electrical Wiring Diagram for
ESM-4450.1.20.1.1/01.00
Motorized valve control can be performed with parameter. For doing this operation, EMO-
400 Relay output module must be plugged in Module-1 socket. Module-1 and Output-3 controls
the position of the valve with motorized valve control.
RELEVANT PARAMETERS:
Parameter
In PASS OPEr or PASS tECH (run
LıSt) menu page ;
: It defines how to
perform the motorized valve control
with the device.
Þ
If motorized valve control is activated
by selecting the parameter
or
In PASS tECH GEnn COnF menu
page and parameters
are shown.
It can be adjusted
from 5 to 600. The unit is “second”.
It defines after how many seconds
valve is completely opened. For
determinig the parameter correctly,
close the valve manually. Be sure
that valve is closed completely, then
open it manually without stopping
and measure that how many
seconds have passed for opening it
completely. Parameter must be
entered “measured value+5%of
measured value” and as second.
It can be adjusted
from 0,1 to 5,0. Unit is %. It is % of Ultt
parameter. Minimum movement
steps of valve while opening or
closing are determined as % ratio. If
valve oscillates while controlling,
INCREASE the parameter value!
Þ
Parameter :
Parameter :
7
Sensor Supply Voltage
Max.50mA
TC
100 ... 240 V 50/60 HzV
Opening
Relay
Input /
Output
Module-2
MODULE-2
Output-3
Closing
Relay
Universal Process
Input
1
8
2
9
3
10
4
11
5
12
6
NOC
3A@250V V
NL
Power
Supply
Switch
NO
C
5A@250V V
EMO-400
Closing
Common
Opening
Valve
Supply
Input
MODULE-1
Max. 3A T
Fuse
V
0to50mVZ
0to20mAZ
0to10VZ
Communication
Module
(RS-232(standard)/
RS-485(optional))
Pt-100
PTC, NTC
12V Z
Relay Output
Module
Note-1 :There is an internal 33R fusible flameproof resistor
in 100-240 V 50/60Hz
There is an internal 4R7 fusible flameproof resistor in
24V 50/60Hz , 24V
W
W
V
VZ
Note-1
Fuse
M
~
V V
MOTORIZED VALVE
Opening
Closing










