Installation guide

Chapter 1: Quick Set Up
8
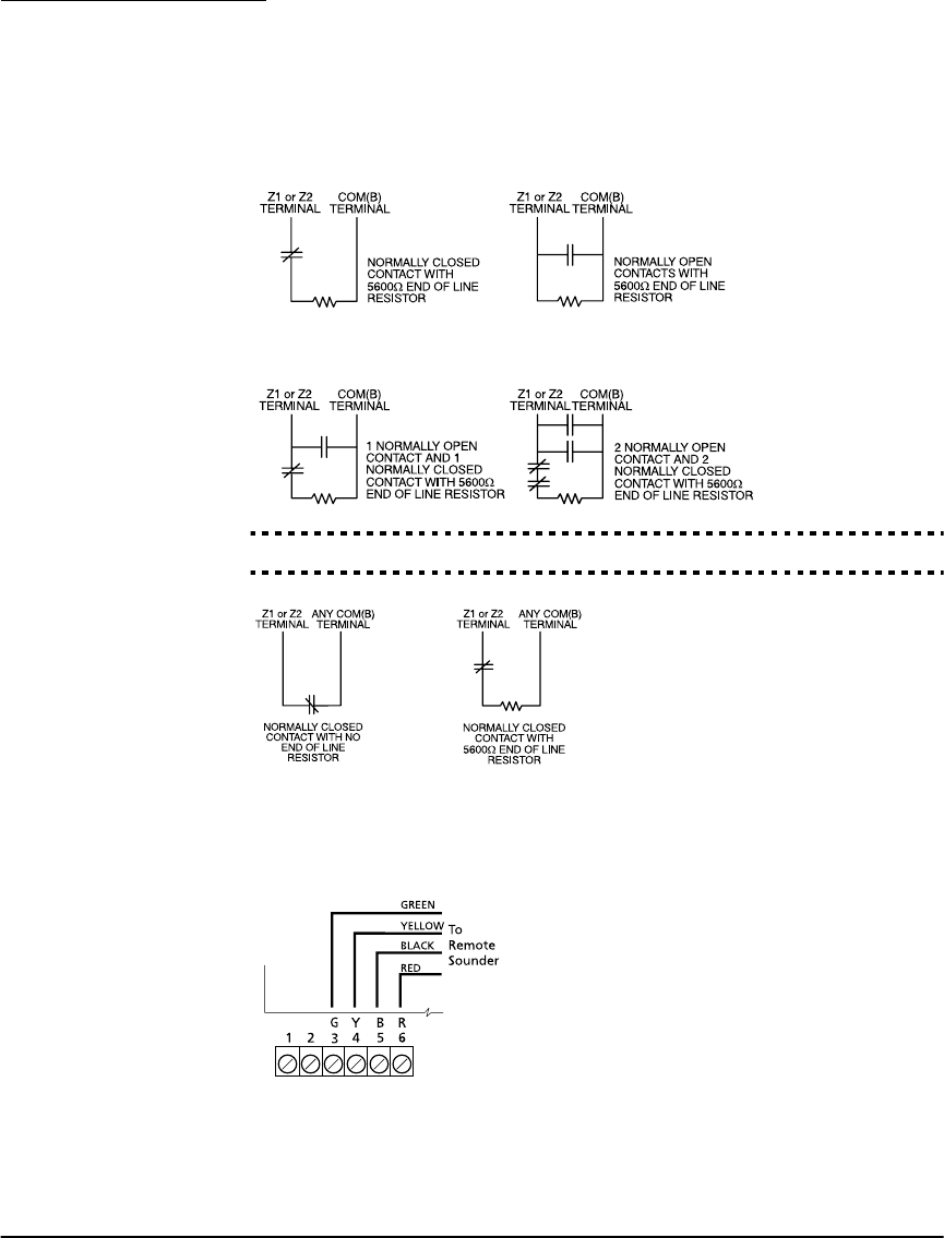
Single End Of Line (EOL) Resistors
To enable system detection of single end of line resistors, programming section
[013], option [1] must be OFF.
NOTE:This option should be selected if either Normally Closed (NC) or Nor-
mally Open (NO) detection devices or contacts are being used.
End of Line Resistors . . . . . . . . . . . . . . . . . . . . . . . . . . . . Section [013], Option [1]
Keyswitch Zone Wiring
Zones may be programmed to be used as
keyswitch arming zones and must be
wired according to the following diagram:
For a complete description of how key-
switch zones operate, see 2.3.1 Zone
Definitions on page 34.
Connecting the Remote Sounder
You can connect a hardwired remote sounder to the NT9010 system. This sounder
provides an additional station for the NT9010 to sound alarms and system status,
and for central station talk/listen-in sessions.
Connect the remote sounder to the NT9010 con-
trol unit as shown below:
For the sounder to work on the system you must
also turn on the Remote Annunciation option.
When this option is turned on, the remote
sounder will also be supervised.
The Local Annunciation option controls the
sounder in the NT9010 control unit. If you turn
this option off, there will be no alarms or voice
prompts from the NT9010. If both options are on, there will be sound from both
the NT9010 and the Remote Sounder.










