Specifications
Table Of Contents
- Technical Hardware
- 1 OVERVIEW
- 2 POWER SUPPLY AND INITIAL RESET
- 3 CPU, ROM, RAM
- 4 PERIPHERAL CIRCUITS AND OPERATION
- 4.1 Memory Map
- 4.2 Resetting Watchdog Timer
- 4.3 Oscillation Circuit
- 4.4 Input Ports (K00–K03, K10)
- 4.5 Output Ports (R00–R03)
- 4.6 I/O Ports (P00–P03, P10–P13, P20–P23)
- 4.7 LCD Driver (COM0–COM3, SEG0–SEG31)
- 4.8 Clock Timer
- 4.9 Stopwatch Timer
- 4.10 Programmable Timer
- 4.11 Serial Interface (SIN, SOUT, SCLK, SRDY)
- 4.12 A/D Converter
- 4.13 General-purpose Operation Amplifier (AMP)
- 4.14 SVD (Supply Voltage Detection) Circuit
- 4.15 Interrupt and HALT/SLEEP
- 5 SUMMARY OF NOTES
- 6 DIAGRAM OF BASIC EXTERNAL CONNECTIONS
- 7 CHARACTERISTICS
- 8 PACKAGE
- 9 PAD LAYOUT
- Technical Software
- 1 INTRODUCTION
- 2 BLOCK DIAGRAM
- 3 PROGRAM MEMORY (ROM)
- 4 DATA MEMORY
- 5 INITIAL RESET
- 6 PERIPHERAL CIRCUITS
- 6.1 Watchdog Timer
- 6.2 OSC3
- 6.3 Input Ports (K00–K03 and K10)
- 6.4 Output Ports (R00–R03)
- 6.5 I/O Ports (P00–P03, P10–P13 and P20–P23)
- 6.6 LCD Driver
- 6.7 Clock Timer
- 6.8 Stopwatch Timer
- 6.9 Programmable Timer
- 6.10 Serial Interface Circuit
- 6.11 Amplifier
- 6.12 SVD (Supply Voltage Detection) Circuit
- 6.13 A/D Converter
- 6.14 Sleep
- 6.15 Interrupt
- 7 SUMMARY OF NOTES
- APPENDIX

II-24 EPSON S1C62740 TECHNICAL SOFTWARE
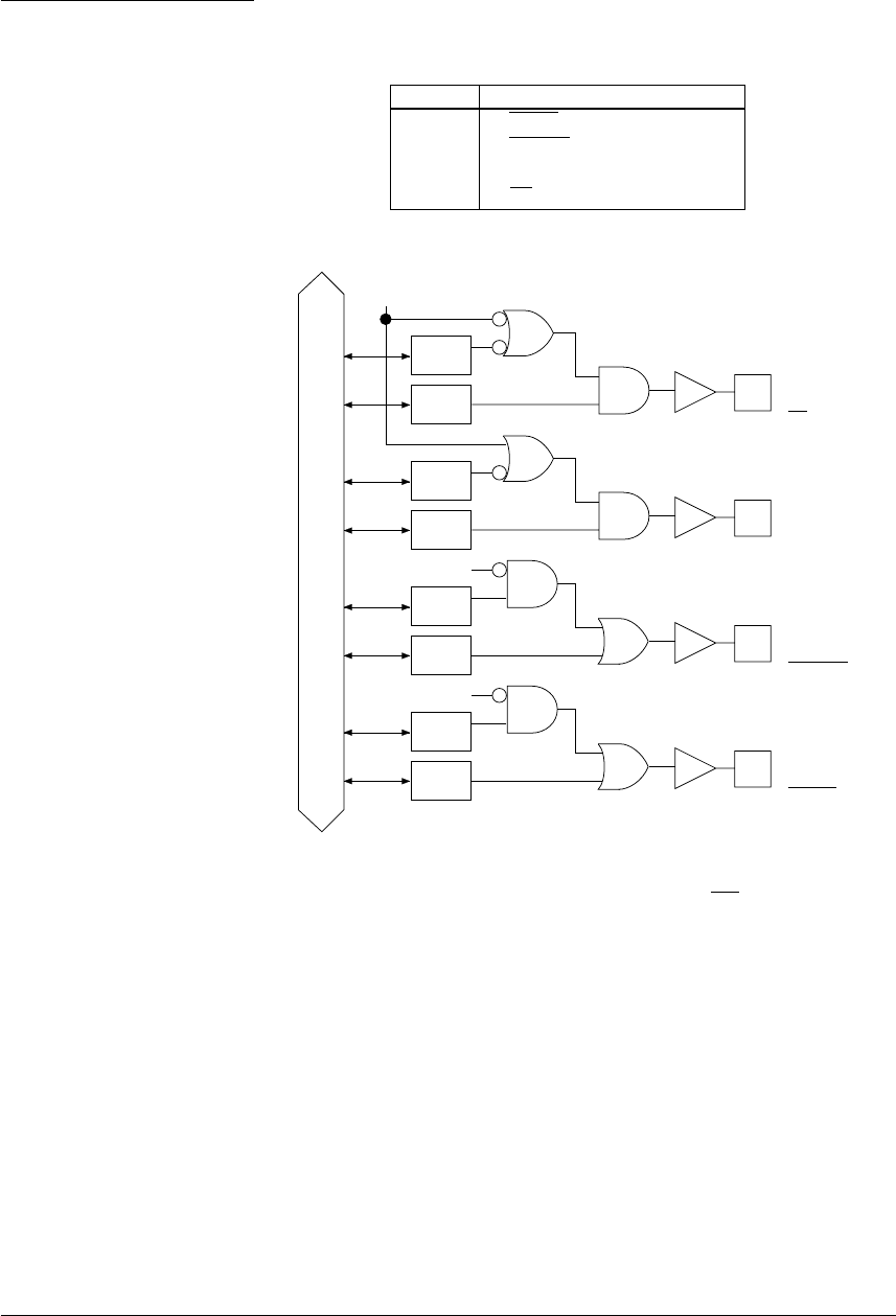
CHAPTER 6: PERIPHERAL CIRCUITS (Output Ports)
In addition to the regular DC output, special output can be se-
lected by software for output ports (R00–R03), as shown in Table
6.4.2.
Control of the
special use output
ports
Pin name When special output is selected
R00 FOUT output
R01 PTOVF output
R02 BZ (buzzer) output
R03 BZ (buzzer inverted) output
Figure 6.4.2 shows the structure of output ports (R00–R03).
Table 6.4.2
Special output
Fig. 6.4.2
Structure of output ports
(R00–R03)
Buzzer output
BZR03 and BZR02 is to select R03 and R02 for BZ (buzzer in-
verted) output and BZ (buzzer) output, respectively. So when you
want to use R03 or R02 as buzzer inverted output or buzzer out-
put, set BZR03 or BZR02 to "1" first.
When "1" is set on R02, buzzer signal is generated from R02
terminal. When "0" is set on R02, R02 terminal output goes low
(V
SS). The R03 control way is the same with R02. But the R03 is
output the buzzer inverted signal to the terminal.
The buzzer frequency may be selected as 2 kHz or 4 kHz by soft-
ware. When BZFQ (E0H•D0) is set to "0", the frequency of the
buzzer signal is set in 4 kHz, and in 2 kHz when "1" is set.
BZ
Data bus
R03
(BZ)
Register
BZR03
Register
R03
R02
(BZ)
Register
BZR02
Register
R02
PTOVF
R01
(PTOVF)
Register
PTR01
Register
R01
FOUT
R00
(FOUT)
Register
FOR00
Register
R00