Specifications
Table Of Contents
- Technical Hardware
- 1 OVERVIEW
- 2 POWER SUPPLY AND INITIAL RESET
- 3 CPU, ROM, RAM
- 4 PERIPHERAL CIRCUITS AND OPERATION
- 4.1 Memory Map
- 4.2 Resetting Watchdog Timer
- 4.3 Oscillation Circuit
- 4.4 Input Ports (K00–K03, K10)
- 4.5 Output Ports (R00–R03)
- 4.6 I/O Ports (P00–P03, P10–P13, P20–P23)
- 4.7 LCD Driver (COM0–COM3, SEG0–SEG31)
- 4.8 Clock Timer
- 4.9 Stopwatch Timer
- 4.10 Programmable Timer
- 4.11 Serial Interface (SIN, SOUT, SCLK, SRDY)
- 4.12 A/D Converter
- 4.13 General-purpose Operation Amplifier (AMP)
- 4.14 SVD (Supply Voltage Detection) Circuit
- 4.15 Interrupt and HALT/SLEEP
- 5 SUMMARY OF NOTES
- 6 DIAGRAM OF BASIC EXTERNAL CONNECTIONS
- 7 CHARACTERISTICS
- 8 PACKAGE
- 9 PAD LAYOUT
- Technical Software
- 1 INTRODUCTION
- 2 BLOCK DIAGRAM
- 3 PROGRAM MEMORY (ROM)
- 4 DATA MEMORY
- 5 INITIAL RESET
- 6 PERIPHERAL CIRCUITS
- 6.1 Watchdog Timer
- 6.2 OSC3
- 6.3 Input Ports (K00–K03 and K10)
- 6.4 Output Ports (R00–R03)
- 6.5 I/O Ports (P00–P03, P10–P13 and P20–P23)
- 6.6 LCD Driver
- 6.7 Clock Timer
- 6.8 Stopwatch Timer
- 6.9 Programmable Timer
- 6.10 Serial Interface Circuit
- 6.11 Amplifier
- 6.12 SVD (Supply Voltage Detection) Circuit
- 6.13 A/D Converter
- 6.14 Sleep
- 6.15 Interrupt
- 7 SUMMARY OF NOTES
- APPENDIX

II-70 EPSON S1C62740 TECHNICAL SOFTWARE
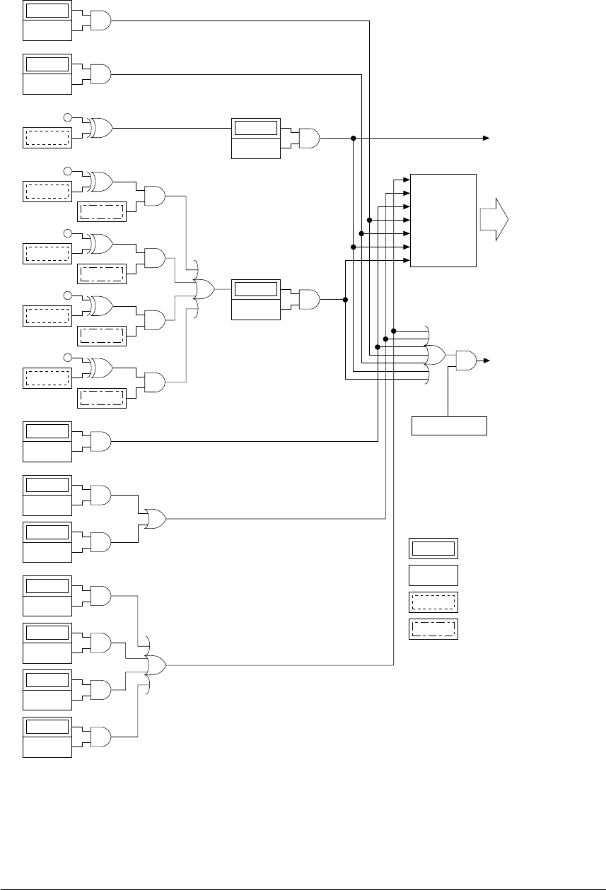
CHAPTER 6: PERIPHERAL CIRCUITS (Interrupt)
Fig. 6.15.1
Configuration of interrupt circuit
IPT
EIPT
ISIO
EISIO
K10
DFK10
IK1
EIK1
K00
DFK00
SIK00
K01
DFK01
SIK01
K02
DFK02
SIK02
K03
DFK03
SIK03
IK0
EIK0
IAD
EIAD
ISW1
EISW1
ISW0
EISW0
IT1
EIT1
IT2
EIT2
IT8
EIT8
IT32
EIT32
Interrupt
vector
generation
circuit
Program
counter
(low-order 4 bits)
SLEEP
cancellation
INT
(interrupt request)
Interrupt factor flag
Interrupt mask register
Input comparison register
Interrupt selection register
Interrupt flag