Printer User Manual
Manuals
Brands
Epson Manuals
Printer
STYLUS 4001968
51
52
53
54
55
56
57
58
59
60
Table Of Contents
Front Cover
Precautions
Preface
Revision Sheet
Table of Contents
1. General Description
1.2 Specifications
2. Operating Principles
3. Disassembly and Assembly
4. Adjustments
5. Troubleshooting
6. Maintenance
Appendix
Disassembly and Assembly
STYLUS 800 Service Manual
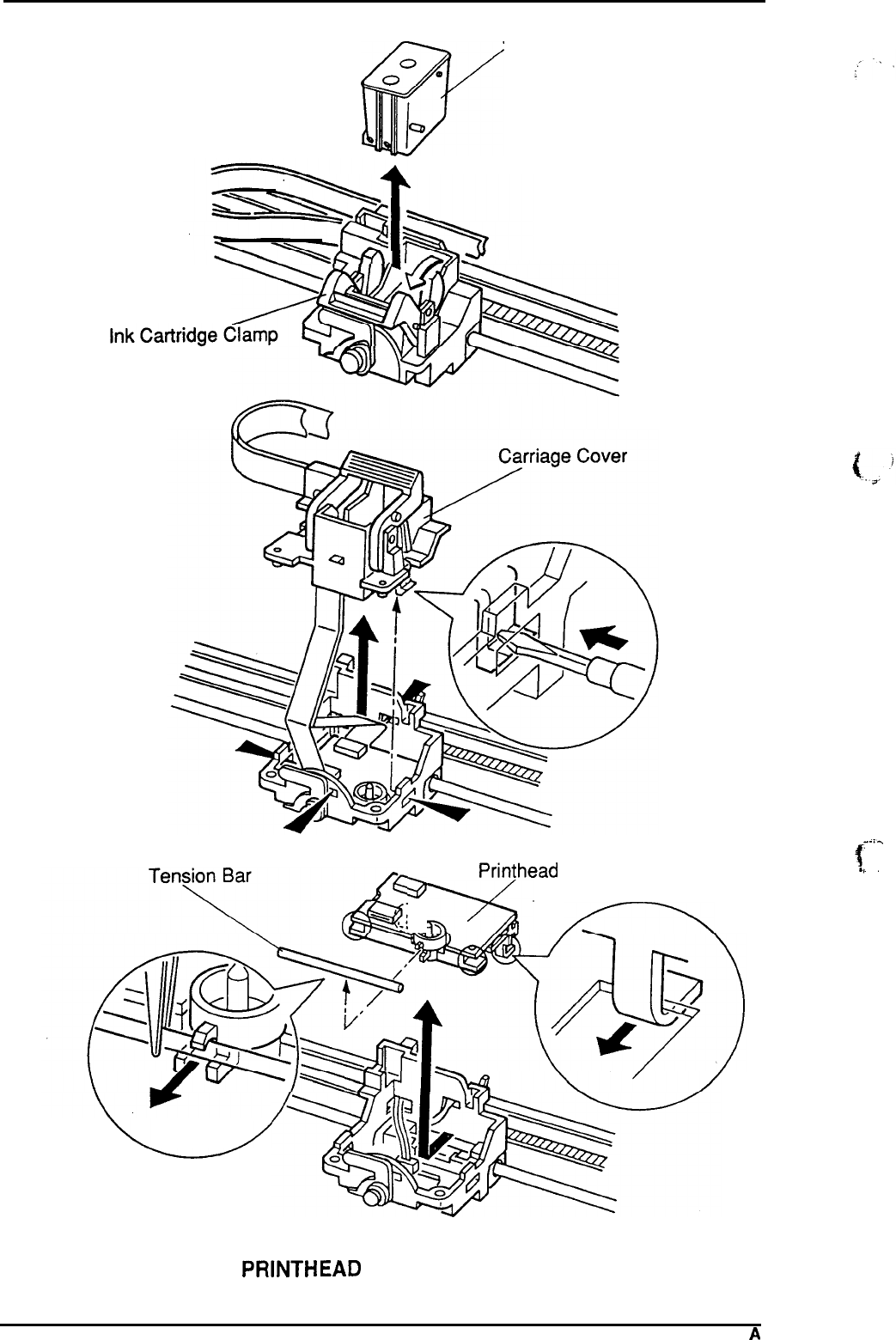
Ink Cartridge
@
o
0“
I
Q
\
/
Printhead
Unit
a
-.
=’5”
~
22% %..
Figure 3-7.
PRINTHEAD
UNIT Removal (Continued)
..:-.
f
,.
3-8
Rev.
A
1
...
...
56
57
58
59
60
...
...
97