Printer User Manual
Table Of Contents

SNLUS
800
Sewice
Manual
Disassembly and Assembly
3.2.5.2
PUMP UNIT Removal
[Step 1]
[Step
2]
[Step 3]
[Step 4]
[Step 5]
[Step 6]
Remove the PRINTER MECHANISM. (Refer to section 3.2.4.)
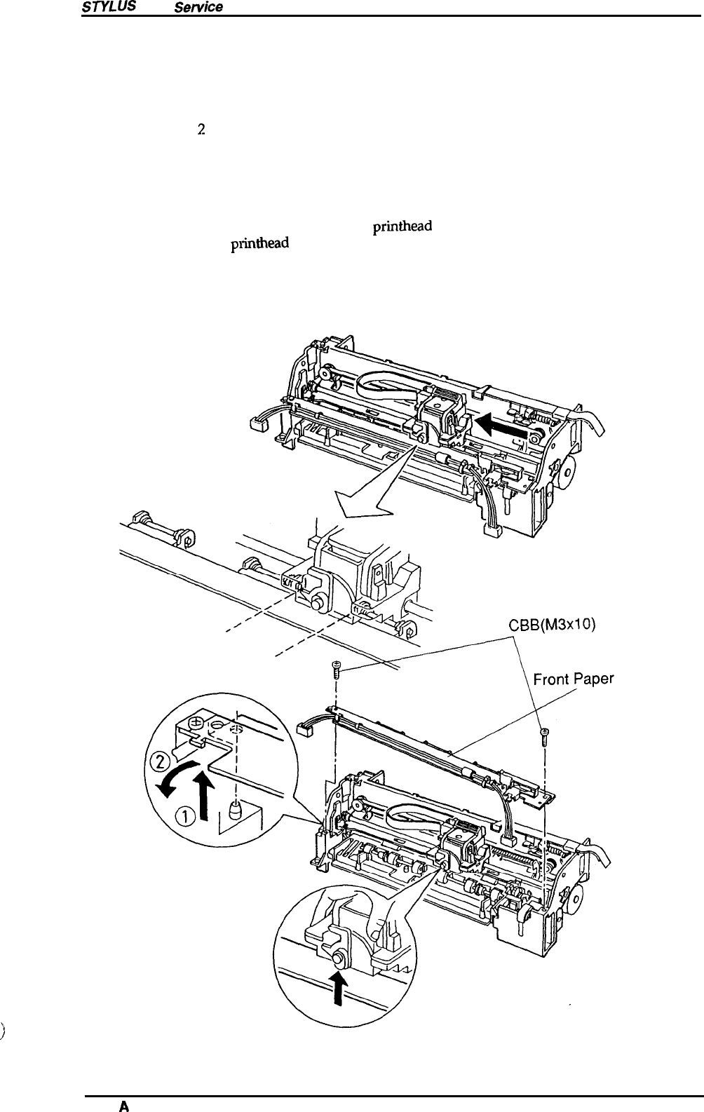
Move the carriage to the middle of the printer.
The carriage is located between first and
second paper guide roller, as illustrated in figure below.
Remove
2
screws (CBB screw (M3 x 10) x 2) fixing the front paper guide assembly to the
mechanism.
Lift the front side
of
the
carriage and hold it. Then, lift the left end of the front paper
guide
assembly slightly, and then lift the right end. Take out the front paper guide assembly by
pulling it toward you.
Insert a piece of paper between the
printhead
and the printer mechanism to protect the
surface of the
printhead
from being damaged.
Push the pump unit inward by releasing the tab securing the pump unit to the holder
plate while releasing the tab at the bottom of the pump unit. Then, take the pump unit out
of the
printer mechanism.
Guide Assembly
‘\
)
Figure 3-8. PUMP UNIT Removal
Rev.
A
3-9