Service manual
Manuals
Brands
Epson Manuals
Printer
Stylus CX3100
91
92
93
94
95
96
97
98
99
100
Table Of Contents
EPSON Stylus PHOTO RX500/510
Product Description
1.1 Overview
1.1.1 Basic Functions
1.2 Common
1.2.1 Electrical Specifications
1.2.2 Interface
1.2.3 Conformance with Safety and EMC Standards
1.2.4 Environmental Conditions
1.2.5 Reliability
1.2.6 Acoustic Noise
1.2.7 Weight and Overall Dimensions
1.3 Ink Cartridge
Operating Principles
2.1 Overview
2.2 Mechanism
2.2.1 Printer Mechanism
2.2.1.1 Carriage Motor Specification
2.2.1.2 Printerhead Specification
2.2.1.3 Paper Feeding Motor Specification
2.2.1.4 PW Detector Specification
2.2.2 Scanner Mechanism
2.3 Electric Circuit
2.3.1 C544 Main Circuit Board
2.3.1.1 Feature
Troubleshooting
3.1 Overview
3.1.1 Specified Tools
3.1.2 Preliminary Checks
3.2 Troubleshooting at Unit Level
3.2.1 Printer / Scanner does not operate at all even with power turned on
3.2.2 Error is detected
3.2.3 Trouble related to Print
3.2.4 Paper feeding is not normally carried out
3.2.5 Operation Panel faulty
3.3 Troubleshooting for Printer
3.4 Troubleshooting for Scanner
3.5 I/F Concerned Troubleshooting
3.6 Troubleshooting for Motors and Sensors
Disassembly and Assembly
4.1 Overview
4.1.1 Precautions
4.1.2 Tools
4.1.3 Screws
4.1.4 Service Dispatch Standard
4.1.5 Stylus PHOTO RX500/510 Disassembly
4.2 Main Unit Removal
4.2.1 Panel Unit Removal
4.2.2 Scanner Unit Removal
4.2.3 Middle Housing Removal
4.3 Disassembly and Assembly of Panel Unit
4.3.1 Panel Circuit Board Removal
4.4 Disassembly and Assembly of Scanner Unit
4.4.1 Upper Housing Assembly Removal
4.4.2 CCD Module
4.4.3 Motor Assembly
4.4.4 HP Sensor Circuit Board
4.5 Disassembly and Assembly of Printer Unit
4.5.1 CR Scale
4.5.2 Carriage Unit
4.5.3 Printhead
4.5.4 ASF Unit Removal
4.5.5 Disassembly of ASF Unit
4.5.6 Power Unit
4.5.7 Front Frame Assembly
4.5.8 Front Paper Guide
4.5.9 Waste Liquid Pad
4.6 Disassembly and Assembly of Other Parts
4.6.1 Damper Assembly
4.6.2 Stacker
4.6.3 Main Board Unit
Adjustment
5.1 Overview
5.1.1 Adjustment Items for Individual Units and Components
5.2 Adjustments by Adjustment Program
5.2.1 Overview
5.2.1.1 Installing the Adjustment Program
5.2.1.2 Starting the Adjustment Program
5.2.2 Adjustment
5.2.2.1 Market Setting (EEPROM initialization)
5.2.2.2 USB ID Input
5.2.2.3 Head ID Input
5.2.2.4 Head Angular Adjustment
5.2.2.5 1st Dot Position Adjustment
5.2.2.6 Bi-D Adjustment
5.2.2.7 PW Adjustment
5.2.2.8 Calorific Limitation Input
5.2.3 Maintenance
5.2.3.1 Head cleaning
5.2.3.2 Ink charge
5.2.3.3 Refurbishment For DOA
5.2.3.4 Waste ink pad counter
5.2.3.5 EEPROM data copy
5.2.4 Check Pattern print
5.2.4.1 Normal Paper Pattern
5.2.4.2 Photo Quality Paper Pattern
5.2.4.3 Nozzle check pattern
5.2.5 Appendix
5.2.5.1 Save all of EEPROM data
5.3 Firmware Uploading
5.3.1 Firmware Program File
5.3.2 Firmware Update Procedure
5.3.3 Update Error List
Maintenance
6.1 Overview
6.1.1 Maintenance of the Printer
6.2 Cleaning
6.3 Lubrication
6.3.1 Designated Lubricant
6.3.2 Lubrication Points of the Scanner
6.3.3 Lubrication Points of the Printer
Appendix
7.1 Connectors
7.1.1 Connector Assignments
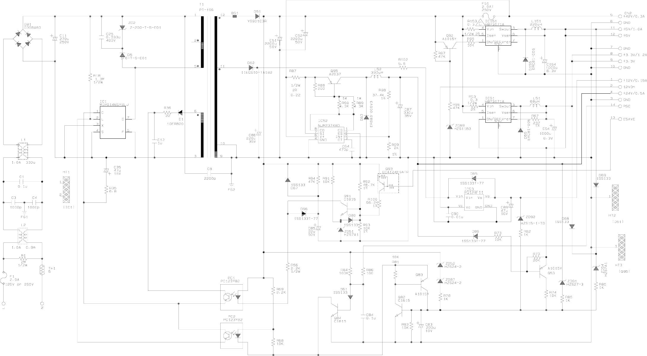
7.2 Electric Circuit Diagrams
7.3 Exploded Diagrams
7.4 ASP List
Model : PM-A850V, Stylus PHOTO RX600/610/RX500/510
Board ; C543 PSB BOARD
Rev. : G
Sheet : 1/1
1
...
...
90
91
92
93
94
...
...
103