Specifications

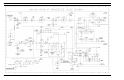
ASSEMBLY DIAGRAM AND PARTS LIST
SYMBOL PART NUMBER DESCRIPTION
1
SXK 107 3807 Front Assembly (Scan)
1
SXK 107 3807/2 Front Assembly
(LPE-200 Scan)
1
SXK 107 3808 Front Assembly (System)
1
SXK 107 3808/2 Front Assembly
(LPE-200 System)
2
SXK 107 3814 Rear Assembly
(807.5 - 824 MHz TX)
2
SXK 107 3814/2 Rear Assembly
(806 - 824 MHz TX)
MARRIAGE HARDWARE KIT
3
SXA 120 4145 Main Gasket
4
SXA 124 025/0080 Screw (2)
6
SXA 120 4118 Washer Stop. Knob
7
SXA 120 4117 Channel Knob
8
SXA 120 4116 Vol Knob
* COMPONENTS ADDED, DELETED, OR CHANGED BY PRODUCTION CHANGES.
Radio, 800 MHz
(151 88-KRD 103 103/A1 Uen, Rev. A)
Prism Radio
800 MHz
AE/LZB 119 1641 R1B
31