Instruction manual

Instruction Manual αlpha CON 2000
24
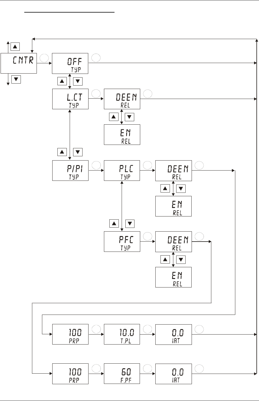
6.5 Controller (CNTR) sub-function
The CNTR sub-function determines the controller’s parameters.
SETUP
SETUP
HOLD
HOLD
4
4
ENT
SETUP
HOLD
4
ENT
ENTENT
ENT
ENT
ENT
SETUP
SETUP
SETUP
SETUP
SETUP
SETUP
SETUP
SETUP
HOLD
HOLD
HOLD
HOLD
HOLD
HOLD
HOLD
HOLD
4
4
4
4
4
4
4
4
SETUP
SETUP
SETUP
HOLD
HOLD
HOLD
4
4
4
ENT
ENT
ENT
ENT
ENT
ENT
SETUP
HOLD
4
SETUP
HOLD
4
SETUP
HOLD
4
ENT
ENT
SETUP
HOLD
4










