Instruction manual

Instruction Manual αlpha CON 2000
28
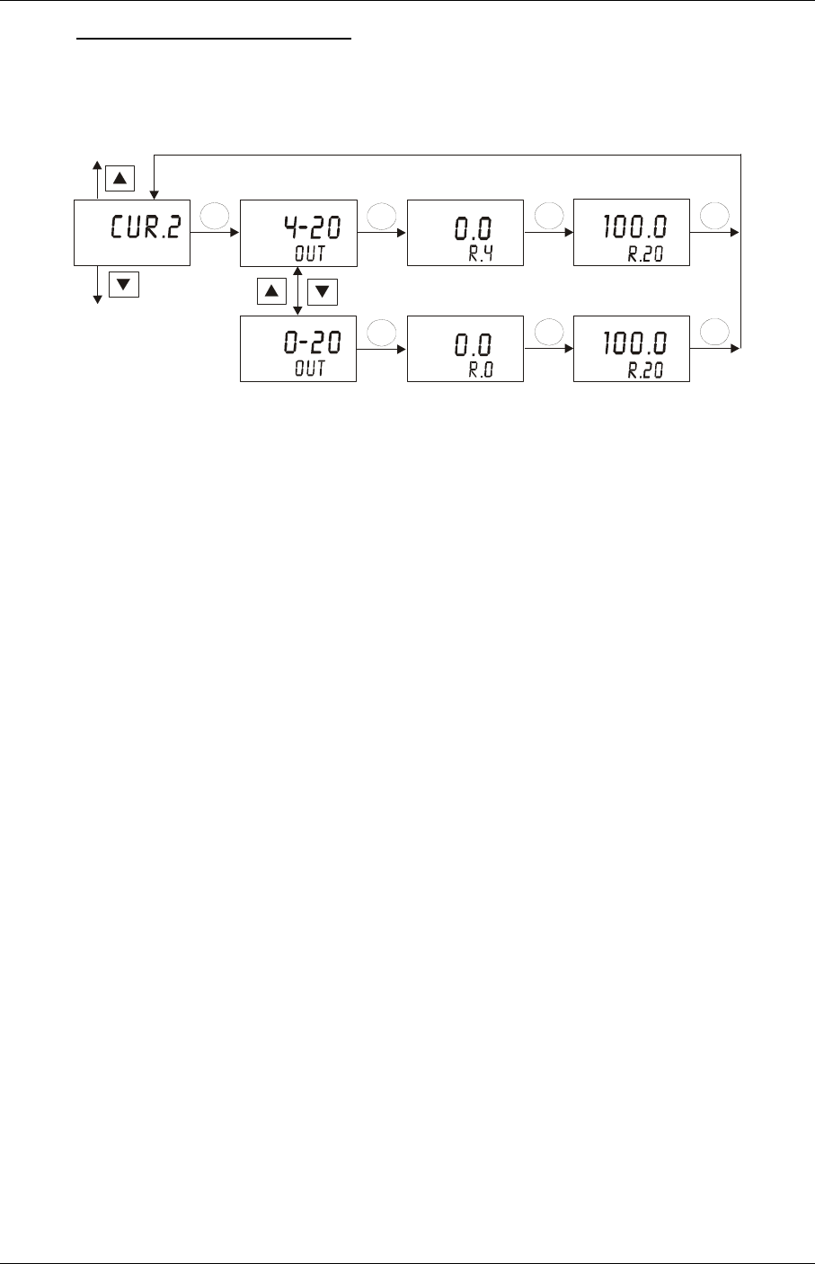
6.7 Current Output 2 sub-function
In this sub-function you set the current output range of the transmitter for temperature values.
SETUP
HOLD
4
SETUP
HOLD
4
ENT
ENT
SETUP
HOLD
4
ENT
SETUP
SETUP
HOLD HOLD
°C °C
°C °C
44
ENT
ENT
ENT
ENT
SETUP SETUP
HOLD
HOLD
44
1. Select the “CUR.2” sub-function, then press the ENT key.
2. Selecting the output type: press the ▲ or ▼ key to select the desired output type: 0-
20 mA or 4-20 mA. Press the ENT key to confirm your selection.
3. Setting the temperature value at which the transmitter output will be 4 mA (or 0 mA):
press the ▲ or ▼ key to set the temperature value (setting range: -10.0 to 115.0 °C or
14 to 237 °F) to be equivalent to 4 mA (or 0 mA). Press the ENT key to confirm your
setting.
4. Setting the temperature value at which the transmitter output will be 20 mA: press
the ▲ or ▼ key to set the temperature value (setting range: 0.0 to 125.0 °C or 32 to 257
°F) to be equivalent to 20 mA. Press the ENT key to confirm your setting.
Continue with Setup mode procedures, or return to Measurement mode by pressing the ▲
and ▼ keys simultaneously (escape).










