Instruction manual

Instruction Manual αlpha CON 2000
31
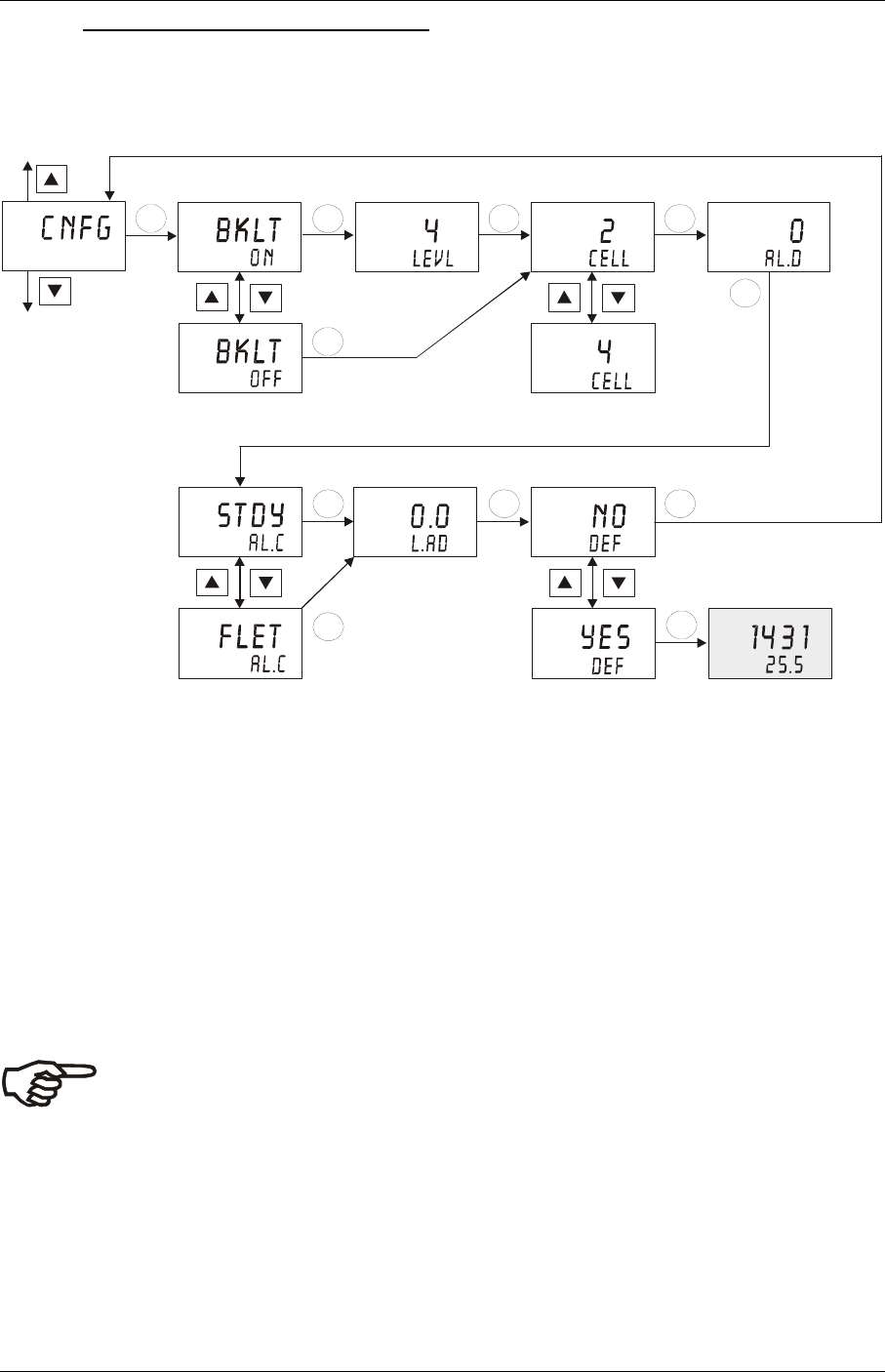
6.10 Configuration (CNFG) sub-function
In this sub-function you configure the transmitter to suit your requirements.
SETUP
SETUP
HOLD
HOLD
4
4
ENT
SETUP
SETUP SETUP
HOLD HOLD HOLD
444
ENT
ENT
ENT ENT
ENT
SETUP SETUP
HOLD HOLD
4 4
SETUP
HOLD
4
SETUP
SETUP
MEAS
µS
°C
ATC
HOLD HOLD
44
4
ENT
ENT
ENT
ENT
ENT
SETUP SETUP
HOLD
HOLD
4 4
1. Select the “CNFG” subfunction, then press the ENT key.
2. Enabling/disabling the display backlight: press the ▲ or ▼ key to switch display
backlight on (BKLT ON) or off (BKLT OFF). Press the ENT key to confirm your selection.
3. Setting the backlight intensity (appears only If backlight is on): press the ▲ or ▼ key
to set backlight intensity (setting range: minimum 1 to maximum 4). Press the ENT key to
confirm your setting.
4. Selecting the cell type: press the ▲ or ▼ key to select “2-cell” or “4-cell” type. Press
the ENT key to confirm your selection.
5. Setting the alarm delay time in seconds: press the ▲ or ▼ key to set the alarm delay
time (setting range: 0 to 2000 seconds). Press the ENT key to confirm your setting.
Note: With this parameter you set the delay before the alarm relay activates when
the set point has been exceeded.










