Instruction manual

Instruction Manual αlpha CON 2000
41
11 APPENDICES
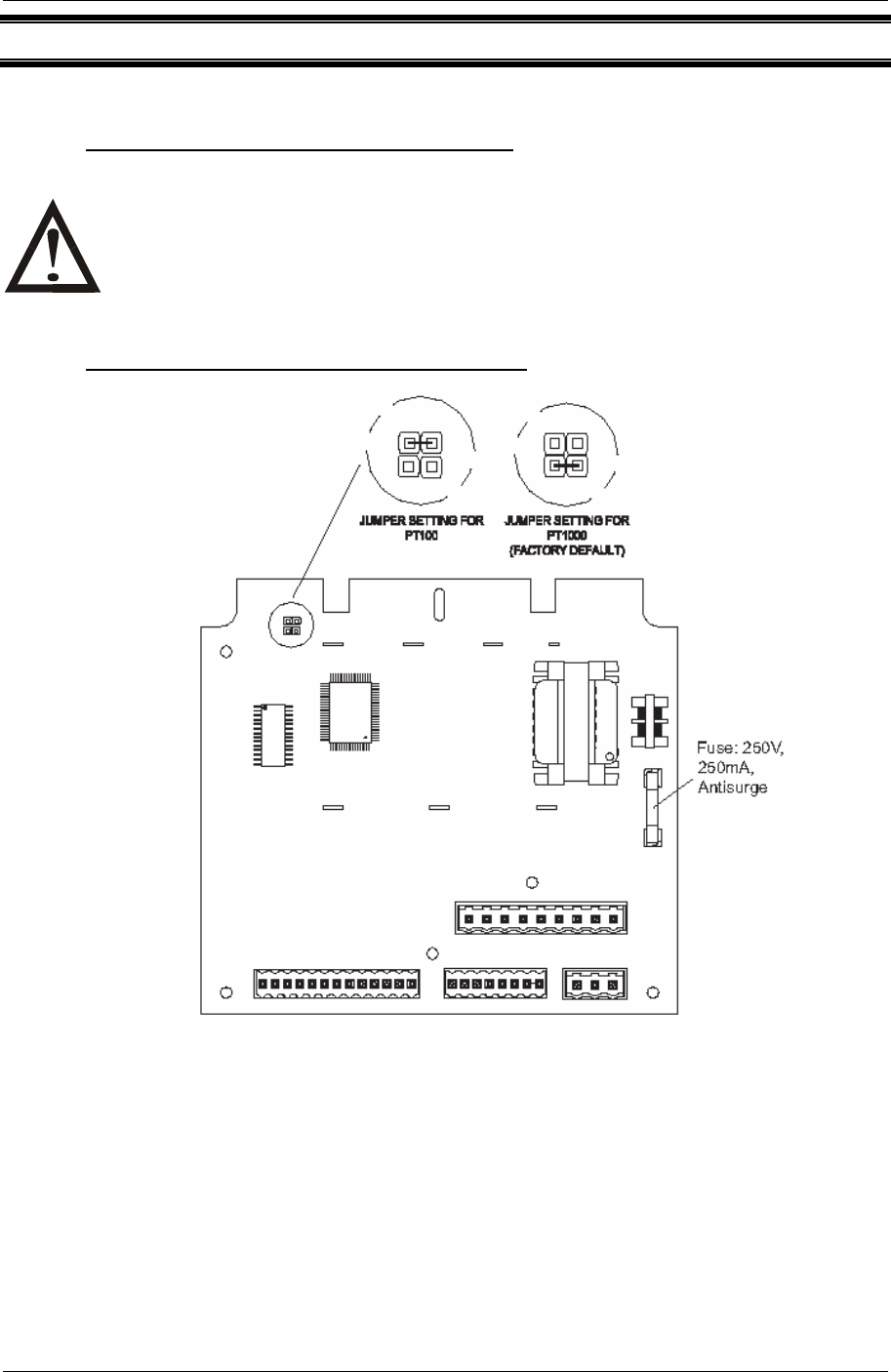
11.1 Appendix 1 – Unit fuse and jumper settings
Caution! Before opening the unit to replace the unit fuse or to set the jumper for Pt
100 / Pt 1000 temperature sensor, make sure the mains cable is separated from the
power supply.
Wall mounting version (view from the back side)










