Manual

EN
14
20GX Evolution Engines Specications
Displacement Bore Stroke Weight Cylinder Propeller
20cc 30.5mm 27.9mm 24.9 oz Ringed 16 x 6 @ 8,850 rpm
Weight
Engine Only 24.9 oz
Muffler 5.2 oz
Ignition 3.5 oz
Total 33.6 oz
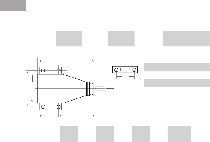
E = Height*
F = Length
G = Crankshaft thread size
H = Muffler bolt spacing
B A
C D
F
G
H
Dimensions (mm)
A B C D E* F G H
46 58 25 67 90 108 5/16 x 24 36.5
* Height is from engine C/L to top of cylinder head.
Troubleshooting Guide
If the Engine Does Not Start
• Check and use a new spark plug if needed.
• Check fuel lines.
• Check for proper mechanical function by
turning the engine over.
• Check that the carburetor is correctly
installed.
• Check that the mufer pressure line is
attached and free from any bends or
blockages.
Mechanical Faults
If the engine cannot be turned over easily
• The most likely cause is the engine is
flooded and by turning the engine over you
are trying to compress the fuel, not air.
1. Remove the spark plug.
2. Cover the cylinder head with a cloth or
paper towel and turn the propeller over
to expel all the excess fuel.
3. Replace the spark plug and try starting
again.
• A possible cause is the piston in the
cylinder is seized: loosen and unscrew the
cylinder head bolts.
1. Carefully remove the cylinder liner.
2. Visually examine the piston and cylinder
to find the possible cause of the engine’s
mechanical problem.
Mechanical repairs must ALWAYS be
completed by an authorized Horizon Hobby
service center.
Maintenance
After each flying session:
1. Fully drain the fuel from the tank.
2. Start the engine and run it until the fuel is
completely run out of the engine.
3. Try starting the engine three more times or
until it will no longer fire. This gets all the
fuel out of the engine.
If you need additional help or have any
questions, please call Horizon’s Support
Team. Horizon has trained technicians
who are qualified to answer your engine
questions.