- Extron Electronics Multi-rate SDI Switcher User's Manual
Table Of Contents

SW4 3G HD-SDI • Installation and Operation
Installation and Operation, cont’d
2-6
Front Panel Controls and Indicators
AUTO
SWITCH
ACTIVE
SW4 3G HD-SDI
MULTI-RATE SDI SWITCHER
1
MODE
2
NORMAL
3
AUTO
4
RATE
NOT
RECOGNIZED
270 Mbps
1.485 Gbps
2.97 Gbps
1
7
32
5
4
6
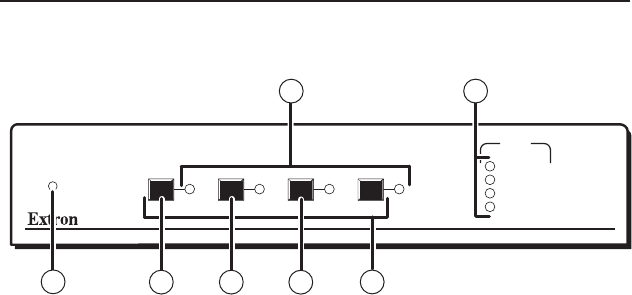
SW4 3G HD-SDI switcher front panel
a
Auto Switch Active LED — When lit, this green LED indicates
that the switcher is in auto-input switch mode. In this mode, the
switcher automatically switches to the highest numbered input
with active sync pulses. When this LED is unlit, the switcher is
in normal (manual) mode.
b
Mode button — The Mode button is used with the Normal
button (
c
) or Auto button (
d
) to select the switching mode.
Mode is a secondary function of the Input 1 button. See
“Selecting Auto-input Switch Mode,” on the next page.
c
Normal button — The Normal button is used with the Mode
button (
b
) to select normal mode. Normal is a secondary
function of the Input 2 button.
d
Auto[switch] button — The Auto button is used with the Mode
button (
b
) to select the auto-input switch mode. Auto is a
secondary function of the Input 3 button.
e
Input buttons 1 through 4 — These buttons select inputs 1
through 4. They are also used to access auto-input switch and
executive modes, and to reset the unit to factory defaults.
The Input 1 (
b
), Input 2 (
c
), and Input 3 (
d
) buttons are also
used to toggle auto-input switch mode on and off (see “Selecting
Auto-input Switch Mode,” on the next page).
f
Rate indicator LEDs — These four LEDs light to indicate the
incoming SDI rate: Not Recognized (a rate other than those
represented by the other three LEDs), 2.97 Gbps, 1.485 Gbps, or
270 Mbps (Mbits per second).
When the switcher detects a valid rate on the input, the signal is
equalized and re-clocked to that rate on the output. If the rate is
not a valid one, the input is equalized, but is not re-clocked.