Installation Guide
Table Of Contents

9
Installation
During using, please keep the heater vertically.
Otherwise, it will affect the safety use of the heater
or even cause damage.
Installation Requirements
The heater should be installed outdoors.
Do not install the water heater in bedroom,
basement,
bathroom,
or rooms with bad
ventilation
condition. (Fig.3)
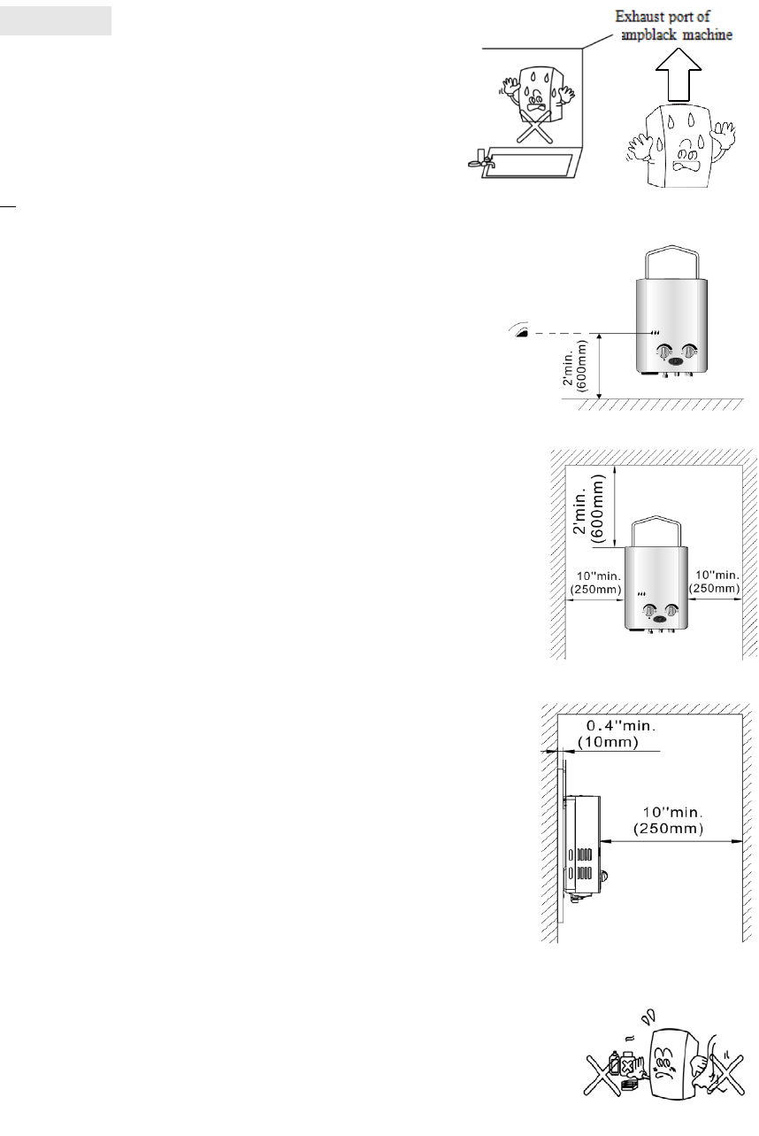
The heater shall not be installed in the exhaust
fan and
the exhaust port of the lampblack
machine. (Fig.4)
The flame-check window of the water heater shall be at
the level of eyes (suggested height is about 0.6m above
the floor, Fig.5), in case of any inflammable accidents.
Neither lines nor electric equipment could be put
overhead of the water heater. The heater shall be kept at
least 400mm far from electronics horizontally.
Make sure to keep the safety distance according to Fig. 6
and Fig. 7 when installing the heater, and keep away
from the flammable materials.
Do not install the heater where flammable materials or
liquid will be stored or used. (Fig. 8)
Do not install the heater where strong wind blows, or it
can cause flameout or incomplete combustion.
Do not use the heater when it’s raining
The water heater is for point of use, for temporary water
heating and not for connection to permanent inlet water
connection or for connection to a water distribution system
to supply multiple outlets.
Fig.3
Fig.4
Fig.5
Fig.8
Fig.5
Fig.6
Fig.7