Instruction Manual
Electronic Flush Valves & Retrofit
Kits
Electronic Exposed Valve for Washdown Urinal - with
vacuum breaker - Battery Operated
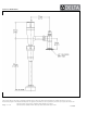
Model No: DEMD-86515
SPECIFICATION:
•
INLETS - 1/2" FIP/Copper
•
Exposed infrared electronic valve for 3/4" IP spud washdown urinals with
vacuum breaker assembly in the outlet tube
•
Solid brass construction
•
1/2" universal FIP/copper sweat inlet adaptor supplied
•
Union inlet stop, inlet cover tube, brass wall flange with set screw
•
Outlet tube with spud flange and coupling nut
•
Chrome Finish
COMPLIES WITH:
•
CSA certified
•
Complies to ASSE 1037
•
ADA Compliant and meets Handicapped Accessibility Standard ASME
A117.1 of less than 5 lbs. operating force.
•
IAPMO pending
•
(Contact Delta Representative for State and/or Local Approvals)
(Dimensional drawing on following page)
•
Internally mounted 9V battery (supplied)
•
Low battery level indicator (constant blinking of red light when user in
range)
•
Sensing range factory set at 21" (533 mm)
•
Range field adjustable from 11.8" to 31.5" (300-800 mm) (manually or with
Optional Remote Control # 060967A)
•
Washdown volumes factory set at 0.5 USGPF (1.9 litres per flush) at 60 psi
•
Volume field adjustable from 0.13 to 1.0 USGPF (0.5 to 3.8 litres per flush)
ONLY WITH THE OPTIONAL REMOTE CONTROL # 060967A
OPERATION:
Delta reserves the right (1) to make changes to specifications and materials, and (2) to change or discontinue models, both without notice or obligation. Dimensions are for reference.
Measurement may vary plus or minus 6mm(0.25"). Mounting locations are suggested only. Check with local codes for requirements in your area. This spec was produced November 03, 2011.
- 1.0.27915
Page of1 2
Delta Faucet Company - 55 East 111th St. - Indianapolis, Indiana, USA 46280 - (317) 848-1812
Delta Faucet Canada - 395 Matheson Blvd E - Mississauga, Ontario, Canada L4Z 2H2 - (905) 712-3030


