Installation Instructions

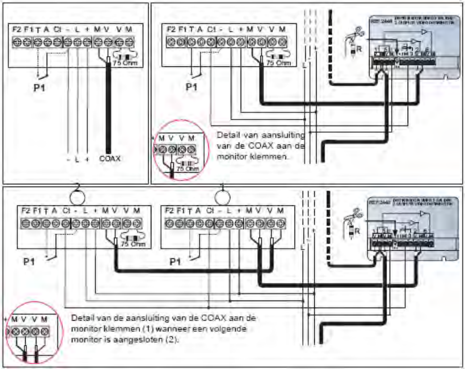
AANSLUTINGEN
P1 : drukknop appartementsdeur
TECHNISCHE KARAKTERISTIEKEN
• Voeding : 18 Vdc
• Verbruik:
- In rust: 15 mA
- Bij een belsignaal: 300 mA
- Met video: 250 mA
- Met video en audio: 400 mA
• Gebruikstemperatuur: Tussen 5°C en 40°C
• TFT scherm:
- Vlak scherm met een diagonaal van 4” (ref. 3980) van 3,5” (ref. 3981)
- Resolutie: Horizontaal 480 TV lijnen,
Vertikaal 234 TV lijnen
• Video signaal : Composite video signaal 1 Vpp 75 Ohm, 7Mhz
•
Afmetingen
- van de monitor: (hoogte x breedte x diepte*) 197 x 131 x 60 mm
- van de FERMAX inbouwdoos: (hoogte x breedte x diepte) 158 x 108 x 45 mm
- van een universele inbouwdoos: (hoogte x breedte x diepte) 174 x 114 x 50 mm
Nota:
• Deze monitor kan geïnstalleerd worden met een universele inbouwdoos.
• Diepte* : deze diepte is opgegeven MET FERMAX inbouwdoos.










