User's Manual

Hardware Platform 10 Installation Guide
12
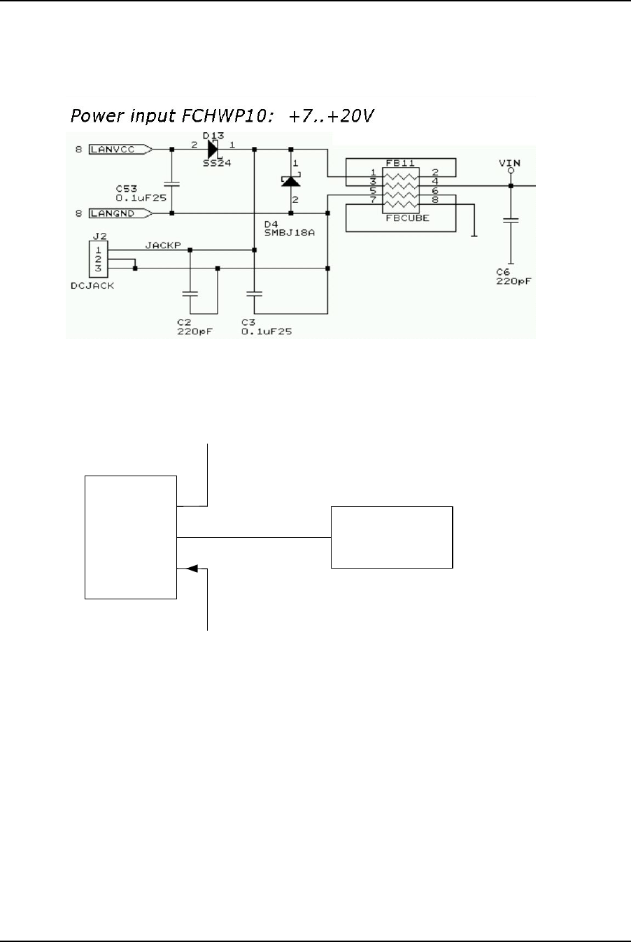
Power Over Ethernet
In your controller a passive power over Ethernet (PoE) scheme is implemented (see
below), using the unused pairs of the LAN port for power.
Power can be injected using passive POE splitter which can be ordered seperately.
POE Splitter FieldCommander
LAN
POE
Power










