User's Manual
Manuals
Brands
Gemalto M2M Manuals
Electronics
GSM, WCDMA, LTE Module
31
32
33
34
35
36
37
38
39
40
Table Of Contents
Contents
Tables
Figures
0 Document History
1 Introduction
1.1 Supported Products
1.2 Related Documents
1.3 Terms and Abbreviations
1.4 Regulatory and Type Approval Information
1.4.1 Directives and Standards
1.4.2 SAR requirements specific to portable mobiles
1.4.3 SELV Requirements
1.4.4 Safety Precautions
2 Product Concept
2.1 Key Features at a Glance
2.2 PLS8-US R4 System Overview
3 Application Interface
3.1 Operating Modes
3.2 Power Supply
3.3 USB Interface
3.4 Serial Interface ASC0
3.5 UICC/SIM/USIM Interface
3.6 Digital Audio Interface
3.7 Analog-to-Digital Converter (ADC)
3.8 GPIO Interface
4 GNSS Receiver
5 Antenna Interfaces
5.1 GSM/UMTS/LTE Antenna Interface
5.1.1 Antenna Installation
5.1.2 RF Line Routing Design
5.1.2.1 Line Arrangement Examples
5.1.2.2 Routing Example
5.2 GNSS Antenna Interface
6 Mechanics
6.1 Mechanical Dimensions of PLS8-US R4
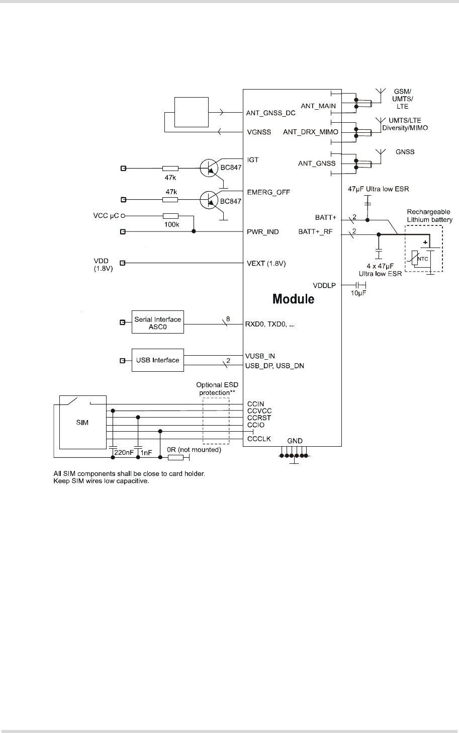
7 Sample Application
8 Reference Approval
8.1 Reference Equipment for Type Approval
8.2 Compliance with FCC and IC Rules and Regulations
9 Appendix
9.1 List of Parts and Accessories
Cinterion
®
PLS8-US R4 Hardware Interface Overview
7 Sample
Application
38
PLS8-USR4_HIO_v03.915
2017-03-27
Confidential / Preliminary
Page 38 of 44
Figure 15
:
PLS8-US R4 sample application
ALS3
Cur
ren
t
lim
ite
r
<6
0mA
1
...
...
36
37
38
39
40
...
...
44