- GENERAC Automatic Transfer Switch Owner's Manual 004635-1 004635-2

Generac
®
Power Systems, Inc. 13
TR
G
T
S
T1
E1
N1
T2
E2
N2
B
1
B2
A2
A1
N1B
N1B
12
6
E2
E1
N2A
2
05
N1B
2
05
E1
E1
A
7
1
B
9
3
6
T1
T
2
N1B
N2A
N
3
E
3
T
3
2
1
8
7
3
4
5
6
12
6
2
05
N2A
N2A
N2A
N1B
N1B
N1B
N1B
N1A
N
3
PM
N
3
N
3
N1B
N1B
F2
F1
23
19
4
T
S
U
TILITY 2
U
TILITY 1
N2A
N2A
N2A
N
3
N
3
N
3
1
94
2
3
2
3
1
94
2
3
1
94
N1
N2
N2A
N2A
N2A
N2A
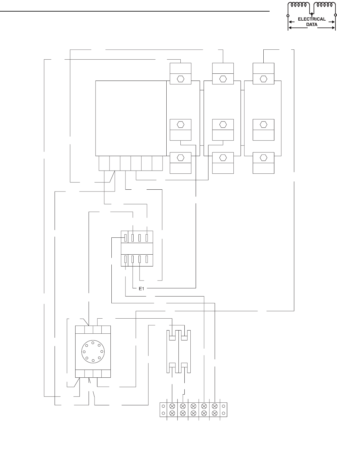
Section 5 — Electrical Data
Generac GTS “W” Type Transfer Switch
200 Amp, 3-pole Switch – Drawing No. 0D3818-A










