Operation Manual

E-11
APPENDIX E/ Common Circuit Connections
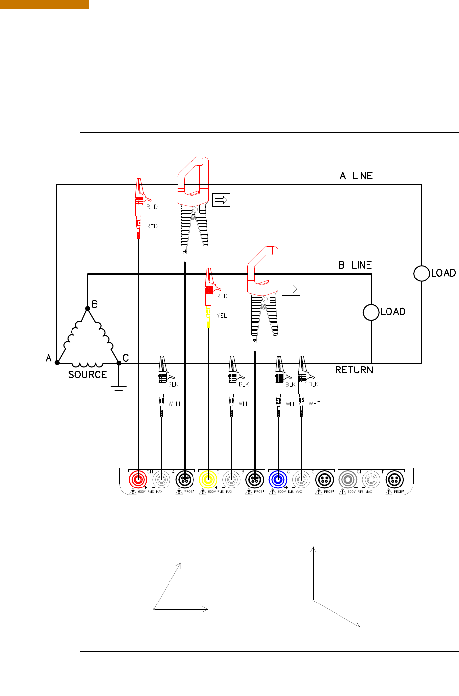
3 Phase 2-Watt Delta
Introduction
The figure below shows the 3 Phase 2-Watt delta connection using phase channels A-
B-C. Current probes are connected to channels A and B. Neutral to ground
measurements are important but optional.
Connection
diagram
Phasor
diagrams
PX5-905
V
A
V
B
0º
60º
I
A
I
B
330º
90º










