Data Sheet
Table Of Contents
- 1. General description
- 2. Features
- 3. Applications
- 4. Feature selection
- 5. Ordering information
- 6. Block diagram
- 7. Pinning information
- 8. Functional description
- 9. Application design-in information
- 10. Limiting values
- 11. Characteristics
- 12. Test information
- 13. Package outline
- 14. Soldering
- 15. Abbreviations
- 16. Revision history
- 17. Data sheet status
- 18. Definitions
- 19. Disclaimers
- 20. Trademarks
- 21. Contact information
- 22. Contents

PCA9512A_1 © Koninklijke Philips Electronics N.V. 2005. All rights reserved.
Product data sheet Rev. 01 — 7 October 2005 3 of 22
Philips Semiconductors
PCA9512A
Level shifting hot swappable I
2
C-bus and SMBus bus buffer
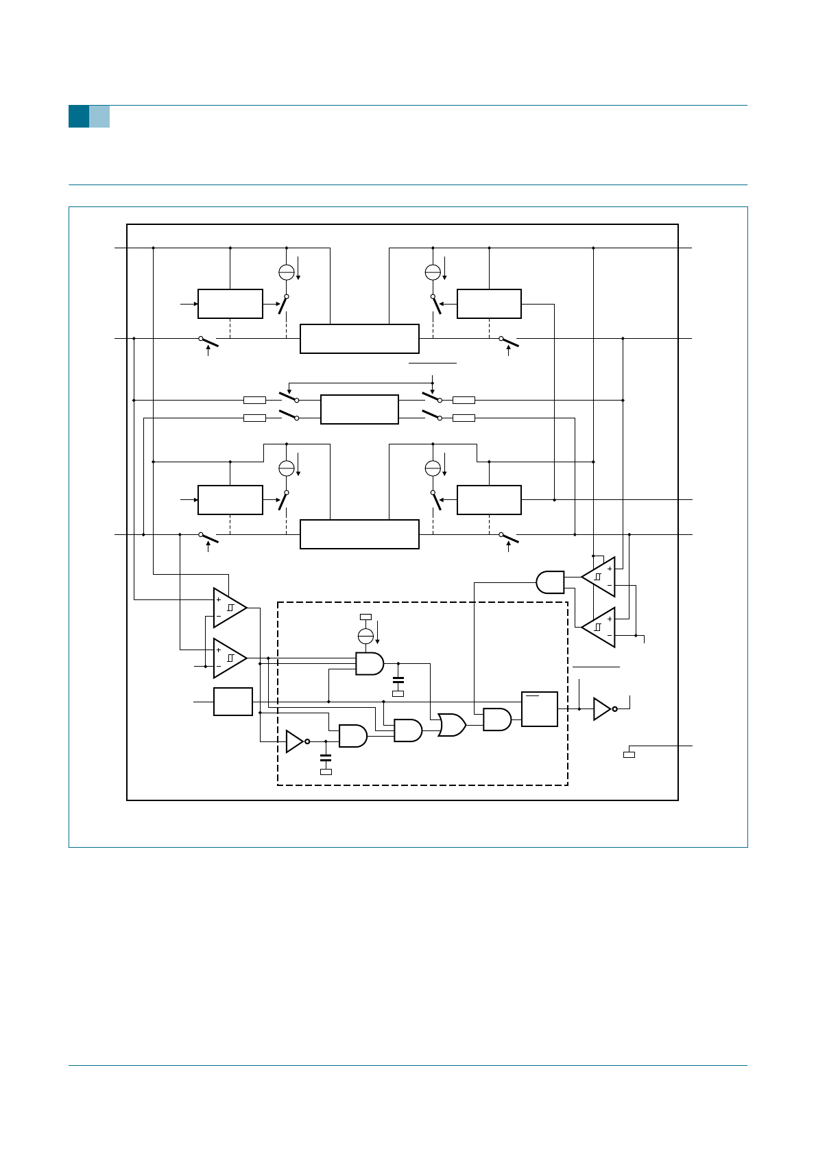
6. Block diagram
Fig 1. Block diagram of PCA9512A
002aab788
100 kΩ
RCH3
1 VOLT
PRECHARGE
100 kΩ
RCH4
100 kΩ
RCH1
100 kΩ
RCH2
CONNECT
BACKPLANE-TO-CARD
CONNECTION
SLEW RATE
DETECTOR
SLEW RATE
DETECTOR
CONNECT CONNECT
2 mA 2 mA
BACKPLANE-TO-CARD
CONNECTION
SLEW RATE
DETECTOR
SLEW RATE
DETECTOR
CONNECT CONNECT
2 mA 2 mA
SDAIN
SCLIN
0.5 pF
SCLOUT
RD
S
QB
UVLO
20 pF
0.55V
CC
/
0.45V
CC
0.5 µA
STOP BIT AND
BUS IDLE
0.55V
CC
/
0.45V
CC
100 µs
DELAY
UVLO
SDAOUT
V
CC2
CONNECT
GND
PCA9512A
V
CC
ACC
CONNECT
ACC
ACC










