User Manual
Manuals
Brands
Grindmaster Manuals
Water equipment
5311
41
42
43
44
45
46
47
48
49
50
Pag
e
4
2
Crathco
®
5000 Series Manual
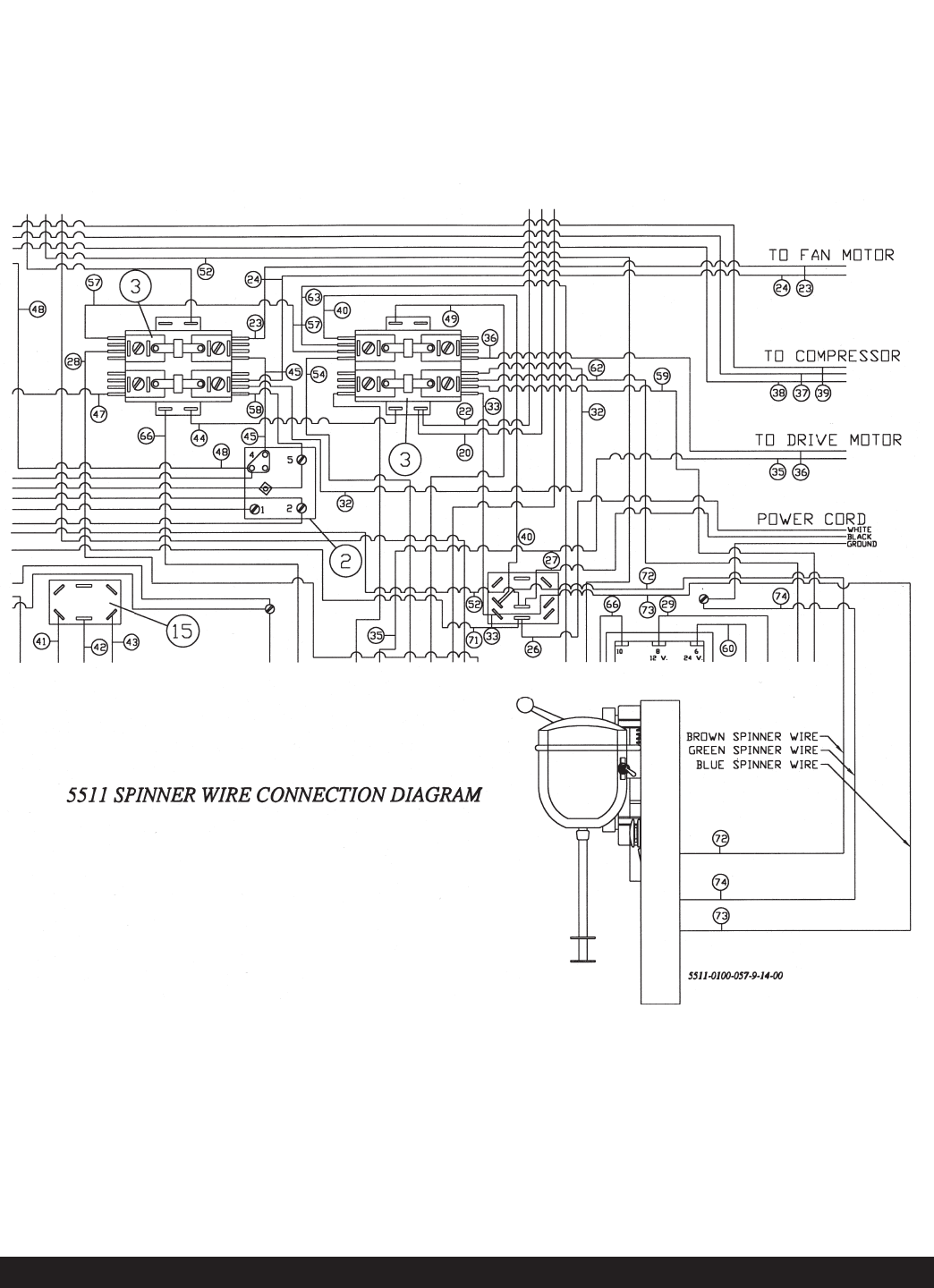
5511 Spinner Hook-Up
Wiring Diagram
5511-0100-057-9-14-00
1
...
...
40
41
42
43
44
...
...
52