- GRIND MASTER Beverage Freezers Operation and Instruction Manual 5311, 5511

Crathco
®
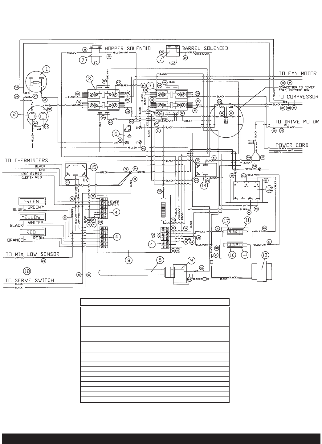
5311 & 5511 Manual Page 41
5311 Wiring Diagram
Item Part Number Description
1
2
3
4
5
6
7
8
9
10
11
12
13
14
15
16
17
18
19
W0570603
W0570617
W0570655
W0570423
W0570043
W0570638
W1650004
W0650913
W0570044
W0570823
W1570616
W0570659
W0570045
W0570934
W1570901
W1572132
W0570842
W0570935
W0572704
Start Capacitor
Run Capacitor
Contactor
8 Pin Terminal Strip
Bulb
Compressor Relay
Solenoid Coil
Circuit Board
Light Socket
3.2 Amp Fuse
Fuse Holder
Transformer
Ballast
On/Off Switch
Stand-By Switch
6 Wire Cable Sub Assy.
Fuse 5 Amp
Switch (Serve)
Bracket Serve Switch
5311-0212-057-02-06-01










