- GRIND MASTER Beverage Freezers Operation and Instruction Manual 5311, 5511
Manuals
Brands
Grindmaster Manuals
Beverage Dispenser
CRATHCO 5511
31
32
33
34
35
36
37
38
39
40
Crathco
®
5311 & 5511 Manual
Pag
e
3
9
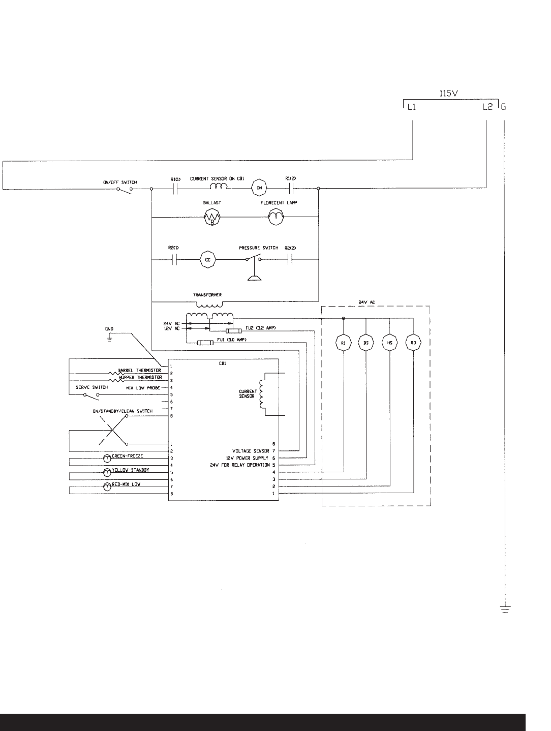
5311 Ladder Dia
gram 115V 60 hz
1
...
...
38
39
40
41
42
43
...
44