Instructions

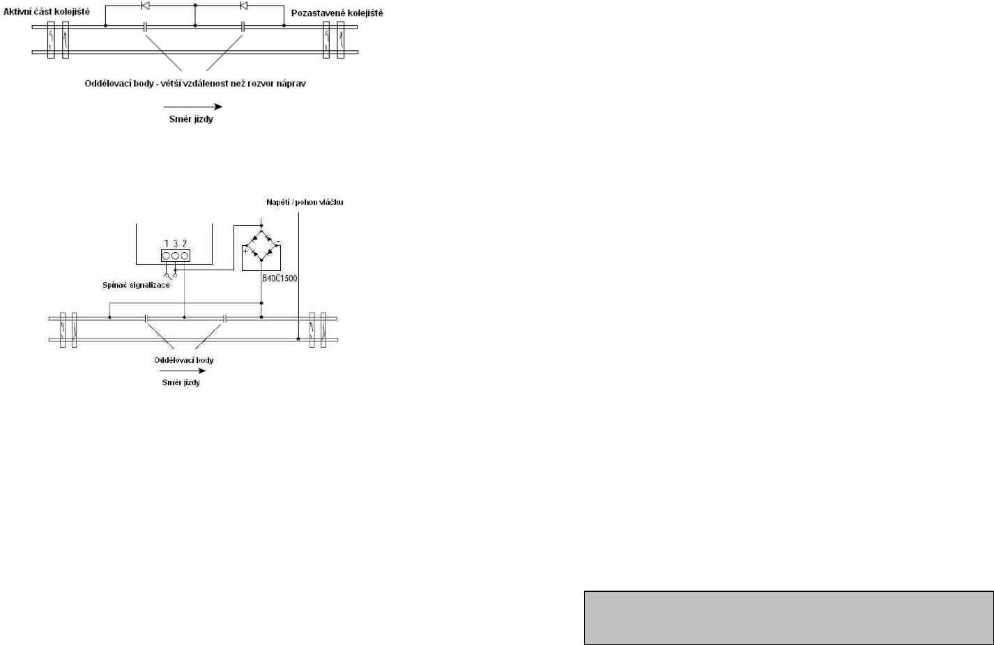
Vzhledem k tomu, obvod je ovládán pomocí regulace napětí, dochází při signalizaci „Volno“ k poklesu
napětí do hodnoty přibližně 1,5 V. Tento stav lze odstranit pomocí usměrňovače nebo osazením
čtyřmi diodami (1 N 4002). Díky funkci usměrňovače se v celém obvodu pro jízdu i brždění nachází
stejná hodnota napětí.
Poruchy a závady
V případě, že již dále nelze zajistit bezpečný provoz modulu, musí být zařízení vyřazeno z provozu
a nesmí dojít k jeho nahodilému použití. Jedná se zejména o následující případy:
• Je-li modul viditelné poškozen.
• Modul správně nefunguje.
• Jsou-li některé části modulu uvolněné a jsou-li přerušeny integrované spoje.
• Modul funguje pouze, je-li připojen ke zdroji napájení.
• Instalaci zařízení s provozním napětím převyšujícím 35 V smí provádět výhradně kvalifikovaný
odborník.
• Zařízení je možné instalovat do libovolné polohy.
• Maximální zátěž modulu po připojení dalších zařízení nesmí překročit 2 A!
• Při instalaci zařízení dbejte na to, aby nedošlo k poškození připojených vodičů.
• Provozní teplota modulu je v rozsahu 0 °C a 40 °C.
• Zařízení je určené pouze pro použití v suchých, vnitřních prostorách.
• Při přemístění modulu z chladnější místnosti do teplejší (a naopak) vyčkejte nejméně 2 hodiny
před jeho dalším použitím. V důsledku kondenzace vlhkosti může následně dojít k poškození
výrobku.
• Modul nesmí být provozován ve venkovním nebo vlhkém prostředí.
• Pokud je zařízení vystaveno vibracím a silným otřesům, je nezbytné zajistit dostatečné zpevnění
modulu. Modul vždy instalujte do nehořlavého prostředí.
• Modul umístěte v dostatečné vzdálenosti, umyvadel, sprchových koutů, van a ostatních
objektů s obsahem kapaliny.
• Výrobek chraňte před vlhkostí, stříkající vodou a zdrojů extrémního tepla.
• Modul se nesmí používat v prostředí s výskytem hořlavin a prachu!
• Výrobek není hračka a nepatří tak do rukou dětem.
• Provoz modulu musí být vždy pod dohledem odborníka.
• Při komerčním provozu modulu musí dojít k seznámení obsluhy s jeho používáním.
• Používejte výhradně originální díly a příslušenství. V opačném případě hrozí nebezpečí zranění
nebo ke škodám na majetku.
• Veškeré opravy svěřte výhradně odbornému servisu. Neodbornými zásahy do modulu dochází
ke ztrátě záruky.
• Za provozu je modul bezpečně oddělen od fázového napětí.
• V případě, že dojde k úniku kapalin na desku modulu, ponechejte celé zařízení zkontrolovat
odborníkem. Zabráníte tím možnému poškození modulu a vzniku dalších škod.
Bezpečnostní pokyny
• Předtím, než dojde k otevření a opravě modulu, odpojte zařízení od zdroje napětí například
odpojením napájecího kabelu.
• Všechny komponenty modulu mohou být opravovány nebo vyměněny pouze v případě,
že nejsou připojeny ke zdroji napájení.
• Pravidelně kontroluje, zda nedošlo k poškození základní izolace vodičů připojených
v modulovém obvodu. Poškozené vodiče musí být před dalším provozem vyměněny.
• Při výměně komponentů modulu musí být přesně dodrženy jejich původní parametry
a charakteristiky.
• Připojení modulu k síťovému zdroji konzultujte vždy s odborníkem.
Součástí dodávky není univerzální adaptér pro všechny aplikace a modelové sestavy.
• Výběr vhodného napájecího adaptéru proto svěřte výhradně odborníkům.
• V případě neodborného připojení ke zdroji napájení výrobce nenese žádnou odpovědnost
za vznik škod. Připojení modulu je tak možné pouze pokud je použit vhodný originální
transformátor s usměrňovačem střídavého napětí.
• Práci na zařízeních s napětím převyšujícím 35 V smí provádět pouze kvalifikovaný pracovník.
• Modul smí být provozován pouze s krytem.
• Otevření krytu modulu je možné pouze, pokud je to nezbytné pro připojení napájecího adaptéru.
• Modul je dodáván v bezpečném stavu bez napětí (bez zbytkových kapacit a elektrického náboje).
Technické údaje
Maximální proudové zatížení 2 A
Rozměry 65 x 41 mm
Součástky a jejich spoje na modulu jsou precizně připájené. Při opravách nesmí být použito pájek,
jež využívají k tavení kyselinu. Neodborné pájení a vadný spoj může následně zapříčinit poškození
součástek modulu a jeho náročnou opravu. Opravy elektronických součástek vyžadují odborné
znalosti. Opravy proto vždy svěřte kvalifikované osobě.
Překlad tohoto návodu zajistila společnost Conrad Electronic Česká republika, s. r. o.
Všechna práva vyhrazena. Jakékoliv druhy kopií tohoto návodu, jako např. fotokopie, jsou předmětem souhlasu společnosti
Conrad Electronic Česká republika, s. r. o. Návod k použití odpovídá technickému stavu při tisku! Změny vyhrazeny!
© Copyright Conrad Electronic Česká republika, s. r. o. REI/2/2015





