Instructions

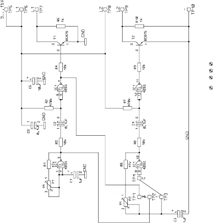
condensateur se décharge via les résistances R1,
R65 (P 1, P 2) sous un seuil Trigger bas.
La tension de sortie bascule à nouveau sur High et
le processus commence par l’avant. Le temps de
charge et de décharge sont déterminés au moyen
des deux potentiomètres P 1 et P 2, c’est-à-dire
que la fréquence de clignotement devient plus
grande ou plus petite (les lampes clignotent plus
rapidement ou plus lentement). Le temps
d’impulsion (effet de flash) est déterminé par les
composants C 2, C 4, R 2, R 7 et N 2, N 4.
Les deux oscillateurs N 2, N 4 commandent de
nouveau pendant une courte durée les deux
transistors Darlington.
Les ampoules branchées sont préchauffées via les
deux résistances R 5 et R 10. Ainsi, le courant de
démarrage diminue (dû à la résistance froide du fil
de l’ampoule qui serait sinon relativement élevé) et
la durée de vie des ampoules est rallongée.
Si, sur des ampoules plus faibles, les filaments
s’allument anormalement pendant la pause, on
peut contrecarrer ceci en modifiant (agrandissant)
12 21










