User Guide

7. WIRING DIAGRAM
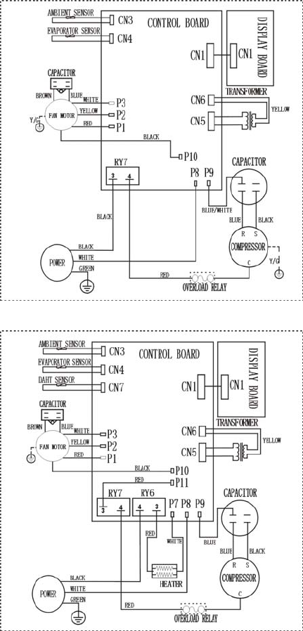
The wiring diagrams listed below are representative of models deployed with full features. Your
model may not offer all these features, accordingly it will slightly differ from your wiring diagram
in these optional features area. Refer to the actual wiring diagram included wit your unit.
Wiring Diagram For TTW Cooling only models:
Wiring Diagram For TTW Cooling and Heating models:
Service Manual
Room Air Conditioner with R-410A
Heat Controller, Inc.
16