user manual
Manuals
Brands
Heat Controller Manuals
Air Conditioner
Inc. Air Conditioner MSS-012B/A
61
62
63
64
65
66
67
68
69
70
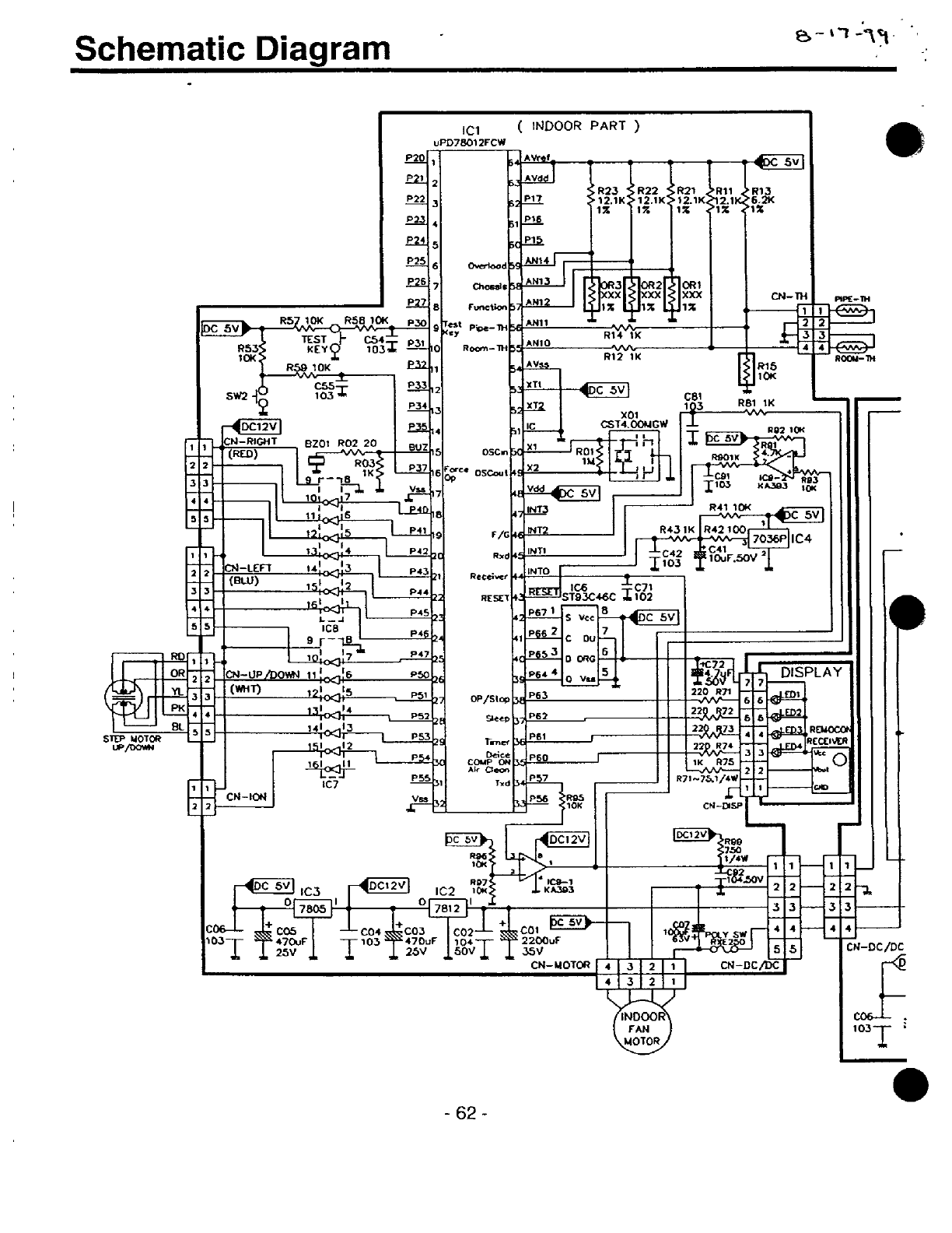
Schematic
Diagram
n
u
-62-
1
...
...
60
61
62
63
64
...
...
86