User Manual

2
IC0020: iCLASS
®
Module
Installation Supplement
To be used when IC0020 is added to an electric strike
HES, Inc.
Phoenix, AZ
800-626-7590
The iCLASS Module can be supported by the
electrical connection to the electric strike, or
by mounting it directly to the back of some
models of HES electric strikes using the #6-32
module mounting screws. Do not attempt to
support the iCLASS Module with the 18”
antenna cable.
Dielectric
Grease
www.hesinnovations.com
3
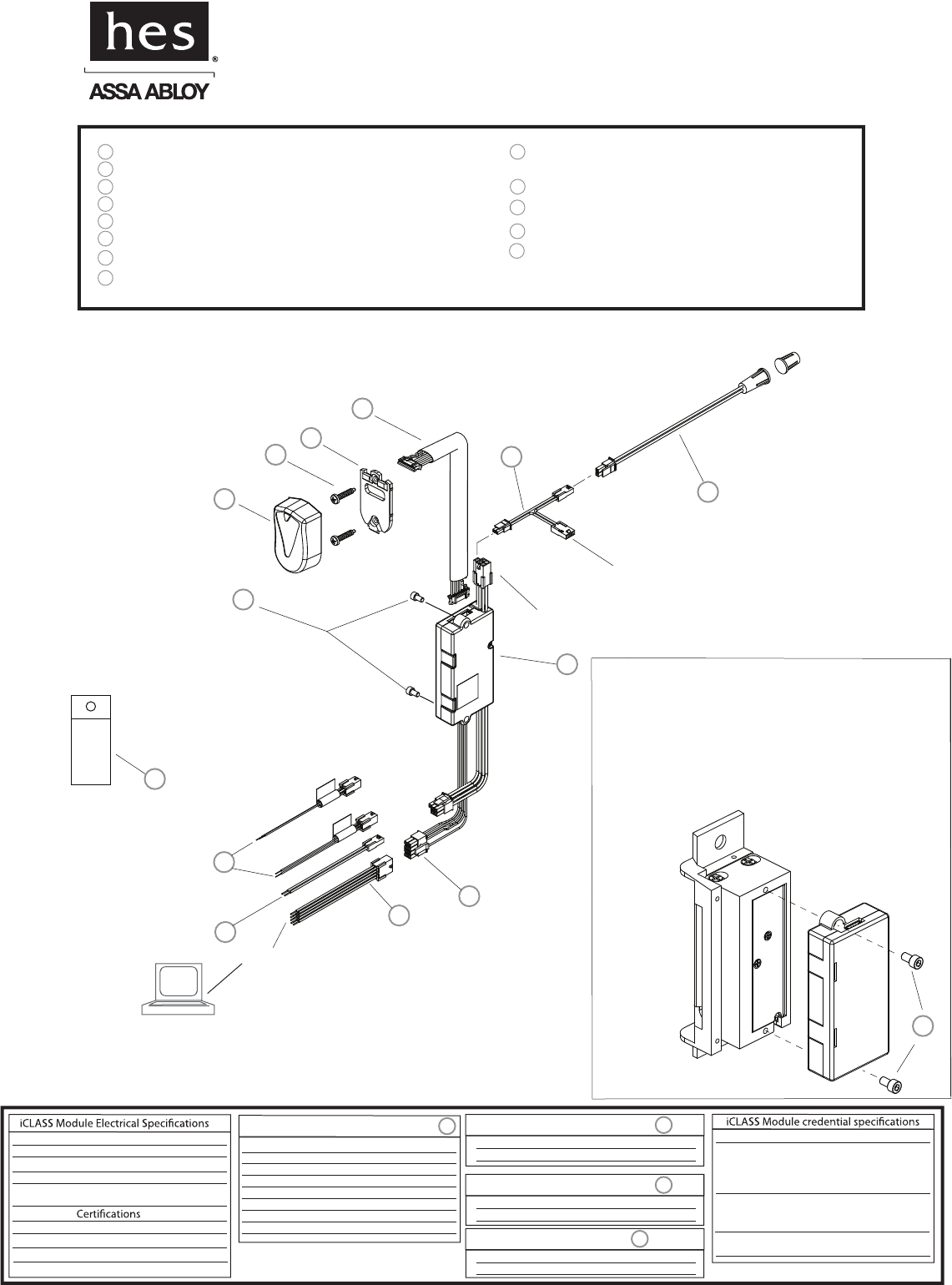
iCLASS Module
#6-32 Module Mounting Screws (for optional strike mount)
Reader/Antenna Body
#6-32 Reader/Antenna Screws
Reader/Antenna Mounting Plate
1
2
3
4
5
6
7
18” Cable (connecting reader/antenna and iCLASS module)
8
9
2 pin DPS & LBM Pigtail Connector
Data Connector (connects to iCLASS Module)
11
Dielectric Grease (apply to connections in humid applications)
10
4 pin 12V Strike Power Pigtail
4 pin 24V Strike Power Pigtail
8 pin Connector (iCLASS Module) Pigtail
12
Door Position Sensor (DPS)
13
DPS/LBM Adapter
-or-
4
5
7
10
6
8
9
1
3
Access Control System
Control Panel and Power Supply
(By others)
To Electric Strike power
11
12
To Access Control System
To Electric Strike LBM
13
Wiring Diagram
OR
8 Pin Connector (iCLASS Module) Pigtail
Red (+) Board Power
Black ( ) Board Power
Green Data 0
White Data 1
Yellow LED/Buzzer
Blue Not Used
Orange Not Used
Brown Not Used
-
11
4 Pin Connector (24V Strike Power)
Violet (24VDC +) Strike Power
Black ( - ) Strike Power
9
4 Pin Connector (12V Strike Power)
Red (12VDC +) Strike Power
Black (−) Strike Power
9
2 pin Connector (LBM Pigtail)
Tan Common
Pink Door Closed and Latch Engaged
8
Operating Voltage 12 to 24 VDC +/- 10%
Operating Current 125 mA Max @ 12VDC
Cable Detail
Distance to Host 500 ft Max
Recommended Type 18-22 AWG
(Dependent on distance) Stranded and shielded
Compliance FCC Part 15/IC Class B
Door Position Sensor (DPS)
Contact Rating 300ma @ 30VDC
Switch Type Form A (SPST) Reed
Card reader HID
13.56 MHz
Supported credential formats
All iCLASS
MIFARE 14443A Read Only
ISO 15693, 14443A, 14443B (MIFARE CSN ONLY)
MIFARE transmits Wiegand data based on card
serial number in 26, 32, 34, 37, 40, 56 bit formats
Interfaces with any Weigand-compatible access
control system