- Hobart Welders Welder User Manual
Manuals
Brands
Hobart Welding Products Manuals
Welding System
CYBER FLEX 452
21
22
23
24
25
26
27
28
29
30
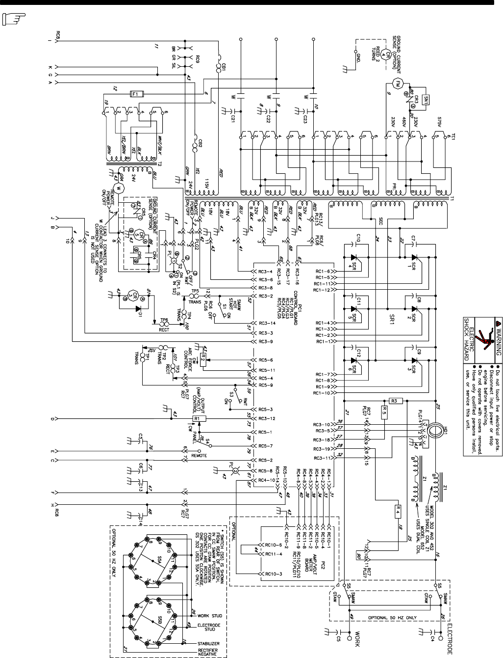
OM-222 Page 25
SECTION 6
–
ELECTRICAL DIAGRAM
For Primary Circuit Diagram Portion, refer to Circuit Diagram
located inside wrapper of welding power source.
SC-203 802
Figure
6-1. Circuit Diagram
1
...
...
27
28
29
30
31
...
...
40