- Hobart Welders Welder User Manual

OM-222 Page 26
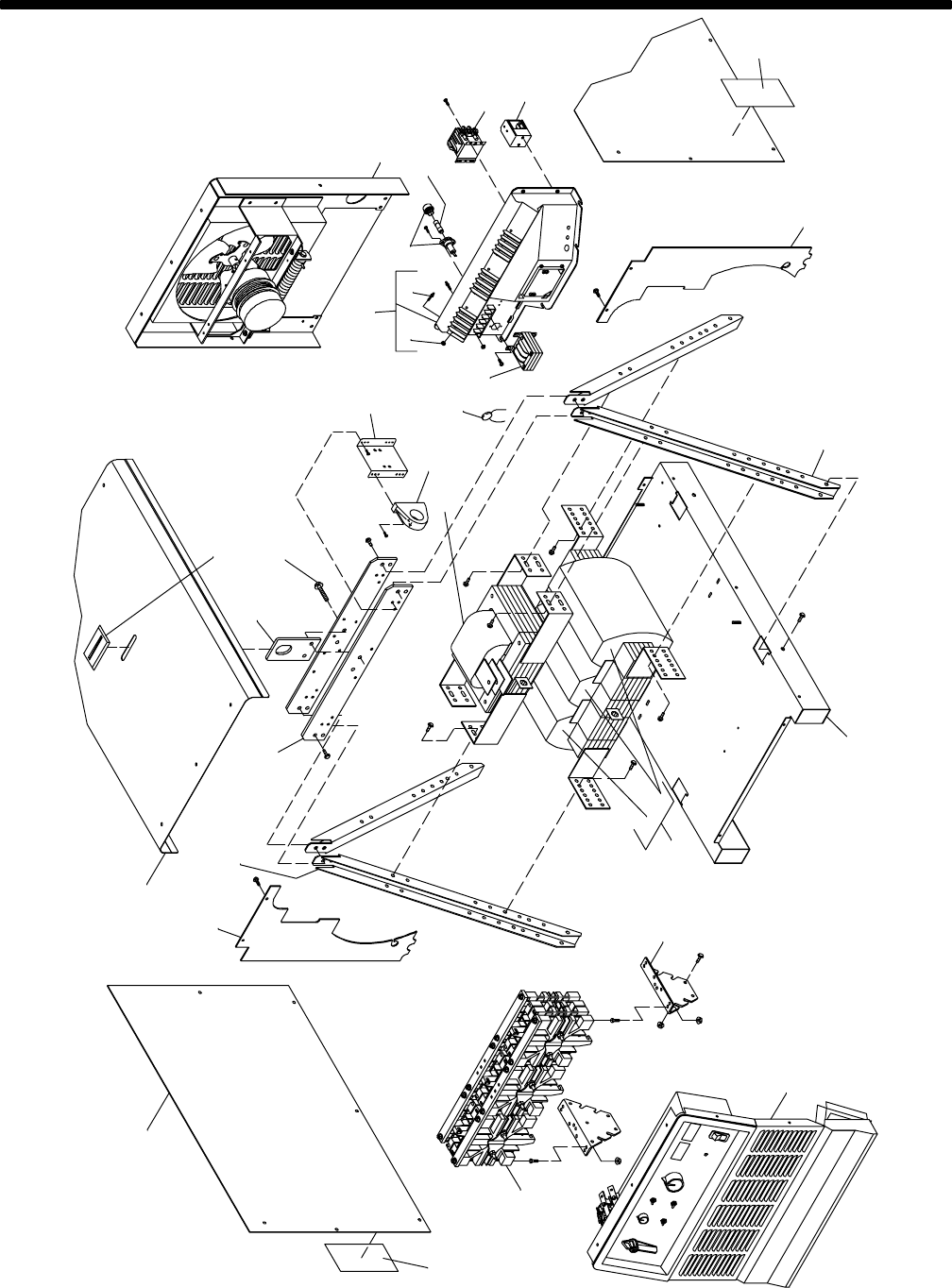
SECTION 7 PARTS LIST
ST-800 875-E
. Hardware is common and
not available unless listed.
1
2
3
4
5
6
7
8
9
10
11
12
13
15
16
14
17
18 (Fig.75)
19
20
21
22
3
4
23
25
26
24
27
28 (Fig.72)
29 (Fig.73 & 4)
22
Figure 7-1. Main Assembly (452 Model Illustrated)