- AM14 ML-32614 AM14C ML-32615 DISHWASHERS
Table Of Contents

– 11 –
Electric Booster Water Heater Option
NOTE: Electric Booster electrical connection will be separate from the dishwasher electrical
connection unless single point electrical connection is supplied. If circuit breaker option is provided,
the electric supply or supplies are connected to the circuit breaker box on top of the dishwasher.
Refer to Electrical Data, page 12. Before making
electrical connection, test the electrical service to
assure that it agrees with the specifications on the
Electric Booster data plate (Fig. 6). Also, refer to
the wiring diagram attached inside the cover of the
Electric Booster.
A fused disconnect switch or circuit breaker (if not
supplied) must be installed in the electrical service
line supplying this booster and should meet the
requirements of your local electrical code.
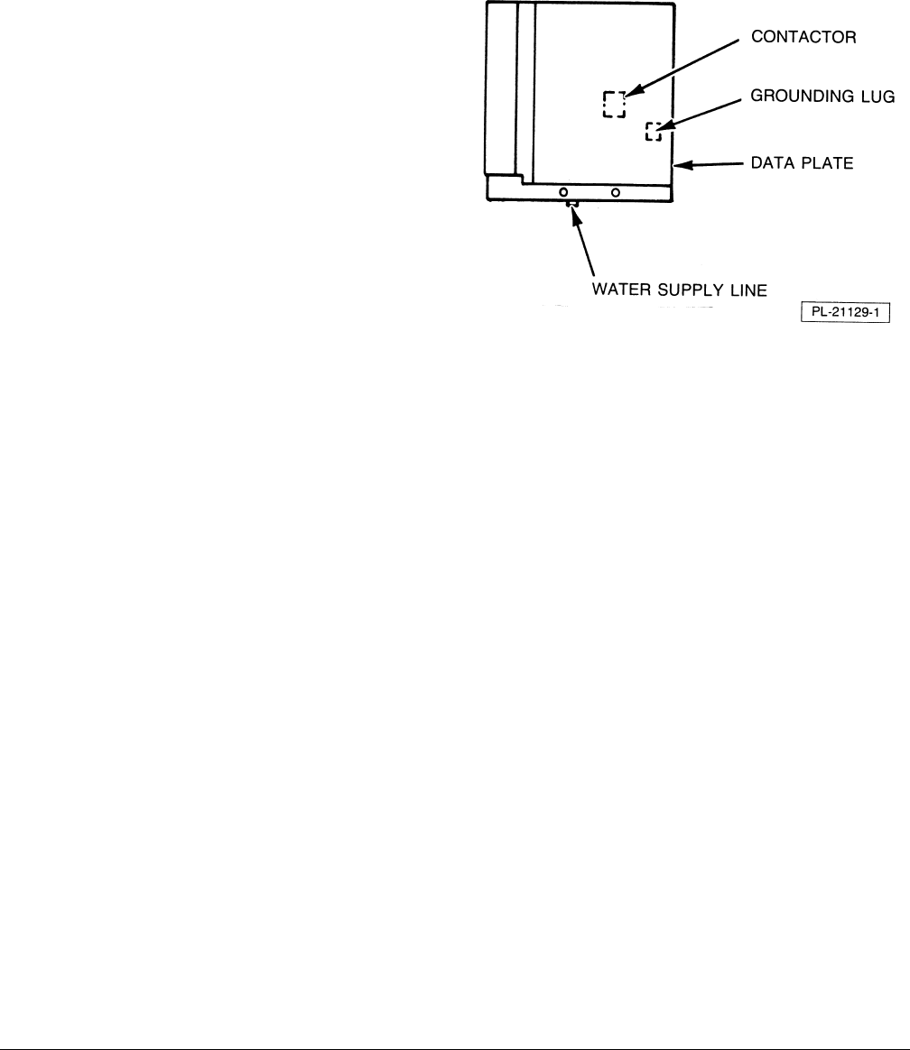
If the booster electrical connections are separate,
they are made to the contactor in the booster. If
grounding is not provided by the conduit used,
connect the ground lead to the grounding lug
provided (Fig. 6).
Fig. 6
OPTIONAL EQUIPMENT CONTROL CONNECTIONS
NOTE: The
7
⁄8" plugged holes in the side of the control box are for detergent and chloritizer / rinse
feeder connections only. If detergent and chloritizer / rinse feeder electrical connections are required,
remove the plug buttons(s) and connect through the hole(s) provided.
Detergent Dispenser
Maximum rating for detergent dispenser connected to DPS1 and DPS2 is 1.5 Amps at line voltage.
Rinse Aid Dispenser
Maximum rating for rinse aid dispenser connected to RPS1 and RPS2 is 1.5 Amps at line voltage.
Vent Fan Control
The maximum rating for a vent fan control relay connected to terminals 4 and 6 is either 30 Amps at
120 Volts (
1.5 HP) or 25 Amps at 277 Volts (3.0 HP). The vent fan control relay provides switch contacts
only and does not provide the power supply for the vent fan motor. When the dishwasher is connected
to the vent fan, the vent fan is switched on when the dishwasher is on, and off when the dishwasher
is off.
Hobart Infrared Booster Gas Water Heater
The maximum rating for connecting a Hobart Model IB57 Dishwasher Activated infrared gas booster
water heater to BSTR1 and BSTR2 is 0.5 Amp at 24 Volts. If a Stand Alone Booster Heater is used,
no electrical connection to the dishwasher is allowed. Refer to the Infrared Booster Gas Water Heater
Manual for additional installation details.










