Automobile Parts User Manual
Table Of Contents
- Application
- Features
- Specifications
- Specifications: M7215
- Specifications: W7212A Logic Module
- Installation: M7215, M7415, M8405
- Wiring: M7215, M7415, M8405
- T6031H Thermostat
- Operation and Checkout
- Settings and Adjustments
- Sequence of Operation
- Operation: W7212
- Settings and Adjustments: W7212
- Checkout and Troubleshooting
- Checkout and Troubleshooting: W7212

SOLID STATE ECONOMIZER SYSTEM
27 63-2484—2
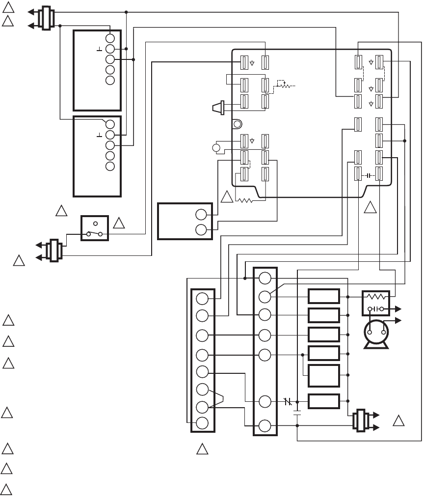
Fig. 34. W7212 controlling parallel-wired Honeywell Series 72 Actuators and time clock for occupancy.
POWER SUPPLY. PROVIDE DISCONNECT MEANS
AND OVERLOAD PROTECTION AS REQUIRED.
ENSURE THAT TRANSFORMER IS SIZED TO HANDLE
THE LOAD OF ALL ACTUATORS.
USE THE FOLLOWING CONTACTS INSTEAD OF TIMER
FOR T7300, USE A1 AND A2 TERMINALS.
FOR T7350 USE AUX TERMINAL.
FOR TB7220 OR TB8220 USE A TERMINAL
THE TERMINALS ARE CONNECTED WHEN THERMOSTAT
IS IN THE OCCUPIED MODE.
FACTORY INSTALLED 620 OHM, 1 WATT, 5% RESISTOR
SHOULD BE REMOVED ONLY WHEN A C7400 ENTHALPY
SENSOR IS ADDED TO SR AND SR+ FOR DIFFERENTIAL
ENTHALPY.
EF AND EF1 ARE DRY CONTACTS IN THE
LOGIC MODULE.
SEE WIRING DIAGRAMS FOR T7350
AND TB7220/TB8220.
TIME CLOCK IS AN OPTION TO USING OCCUPIED CONTACTS
ON THE THERMOSTAT.
M24221
1
2
3
4
5
ST6008
TIMER
1
2
L1
(HOT)
L2
L1
(HOT)
L2
L1
(HOT)
L2
FDR
FDR
FAN
HEAT 1
HEAT 2
COOL 1
COOL 2
HVAC EQUIPMENT
TERMINAL STRIP
THERMOSTAT
1
C
G
W1
Y1
Y2
R
W2
RC
G
X
W1
RH
Y1
Y2
W2
3
FAN
DELAY
RELAY
S
+
C7400
OUTDOOR
AIR
ENTHALPY
SENSOR
N1
P1
T1
SR
SO
AQ
EF1
4
EF
3
5
2 1
TR
MINIMUM POSITION
ADJUSTMENT
P
T
AQ1
SO+
SR+
TR1
24 Vac
COM
24
Vac
HOT
– +
4
5
620 OHM
RESISTOR
W7212
C7150B MIXED
AIR OR C7046A
DISCHARGE
AIR SENSOR
+
–
0/2-10 VDC
INDOOR AIR
SENSOR
N
UNOCCUPIED
OCCUPIED
1
EXHAUST
FAN
L1
(HOT)
L2
F
1
2
3
4
5
+
~
MS7XXX
HONEYWELL
ACTUATOR
F
1
2
3
4
5
+
~
MS7XXX
HONEYWELL
ACTUATOR
6
7
6
7










