Automobile Parts User Manual
Table Of Contents
- Application
- Features
- Specifications
- Specifications: M7215
- Specifications: W7212A Logic Module
- Installation: M7215, M7415, M8405
- Wiring: M7215, M7415, M8405
- T6031H Thermostat
- Operation and Checkout
- Settings and Adjustments
- Sequence of Operation
- Operation: W7212
- Settings and Adjustments: W7212
- Checkout and Troubleshooting
- Checkout and Troubleshooting: W7212

SOLID STATE ECONOMIZER SYSTEM
23 63-2484—2
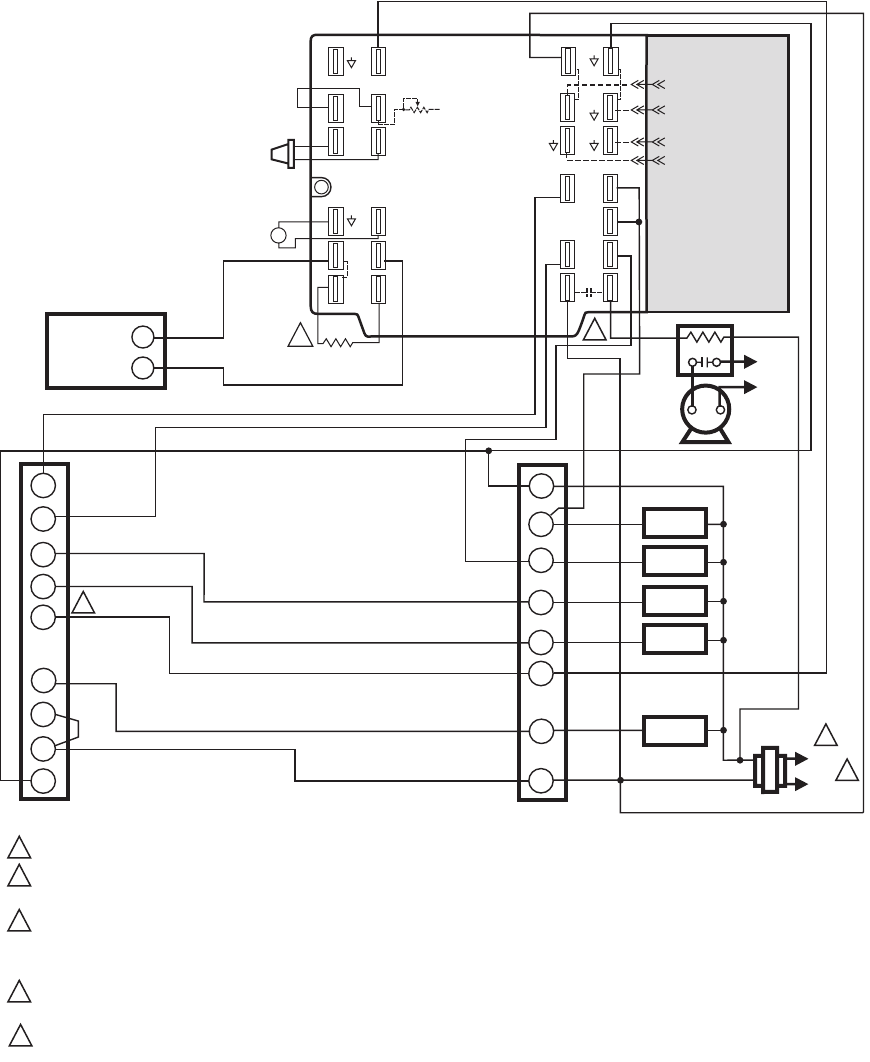
Fig. 30. W7212 used with M7215 Damper Motor and T7350 Thermostat.
POWER SUPPLY. PROVIDE DISCONNECT MEANS AND OVERLOAD PROTECTION AS REQUIRED.
ENSURE THAT TRANSFORMER IS SIZED TO HANDLE THE EXTRA LOAD OF THE ECONOMIZER AND ACTUATOR.
THE SAME TRANSFORMER CAN BE USED FOR THE THERMOSTAT AND ACTUATOR.
IF SEPARATE HEATING AND COOLING TRANSFORMERS ARE USED, REMOVE JUMPER AT THERMOSTAT.
T7350 - TERMINAL “AUX” IS POWERED BY THE HEATING TRANSFORMER (RH).
IF POWERING THE ECONOMIZER TERMINAL “N” WITH THE THERMOSTAT TERMINAL “AUX”, BE SURE THE ECONOMIZER IS POWERED BY THE
SAME TRANSFORMER AS TERMINAL “AUX”. IF NOT, USE AN ISOLATION RELAY TO POWER “N”.
FACTORY INSTALLED 620 OHM, 1 WATT, 5% RESISTOR SHOULD NOT BE REMOVED. DIFFERENTIAL ENTHALPY NOT RECOMMENDED FOR USE
WITH SINGLE-STAGE COOLING SYSTEMS OR SINGLE-STAGE COOLING THERMOSTATS.
EF AND EF1 ARE DRY CONTACTS IN THE LOGIC MODULE.
M13657
S
1
2
3
2
+
4
5
C7400
OUTDOOR
AIR
ENTHALPY
SENSOR
L1
(HOT)
L2
FAN
HEAT 1
HEAT 2
COOL 1
HVAC EQUIPMENT
TERMINAL STRIP
T7350
THERMOSTAT
1
C
G
W1
A2
Y1
Y2
R
W2
RC
RH
G
X
W1
Y1
Y2
W2
AUX
COOL 2
N1
P1
T1
SR
SO
AQ
EF1
EXHAUST
FAN
L1
(HOT)
L2
4
EF
3
5
2 1
TR
MINIMUM POSITION
ADJUSTMENT
P
T
AQ1
SO+
SR+
TR1
24 Vac
COM
24 VAC COM
24
Vac
HOT
2-10 VDC CONTROL
– +
4
620 OHM
RESISTOR
C7150B MIXED
AIR OR C7046A
DISCHARGE
AIR SENSOR
+
–
0/2-10 VDC
INDOOR AIR
SENSOR
N
24 VAC HOT
SIGNAL INPUT
W7212
M7215
5
3