Automobile Parts User Manual
Table Of Contents
- Application
- Features
- Specifications
- Specifications: M7215
- Specifications: W7212A Logic Module
- Installation: M7215, M7415, M8405
- Wiring: M7215, M7415, M8405
- T6031H Thermostat
- Operation and Checkout
- Settings and Adjustments
- Sequence of Operation
- Operation: W7212
- Settings and Adjustments: W7212
- Checkout and Troubleshooting
- Checkout and Troubleshooting: W7212

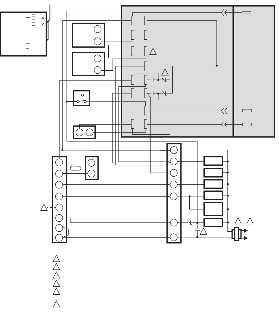
SOLID STATE ECONOMIZER SYSTEM
63-2484—2 20
Fig. 27. M8405A Damper Actuator used in two-stage cooling system with differential enthalpy changeover and W7459C
Economizer.
L1
(HOT)
L2
M8405
T
D
APPLY
24VAC T-X
FOR MIN POSN
T-D FOR
MAX POSN
FDR
FDR
FAN
FAN
DELAY
RELAY
HEAT 1
HEAT 2
COOL 1
COOL 2
HVAC EQUIPMENT
TERMINAL STRIP
W
R
POWER SUPPLY. PROVIDE DISCONNECT MEANS AND OVERLOAD PROTECTION AS REQUIRED.
MOTOR SPRING-RETURNS CLOSED WHEN FAN IS NOT RUNNING.
ENSURE THAT EQUIPMENT TRANSFORMER IS SIZED TO HANDLE THE EXTRA LOAD OF THE ECONOMIZER AND ACTUATOR.
RELAYS 1K AND 2K ACTUATE WHEN THE ENTHALPY SENSED BY THE C7400 IS HIGHER THAN THE ENTHALPY SETPOINT A-D.
FACTORY INSTALLED 620 OHM, 1 WATT, 5% RESISTOR SHOULD BE REMOVED ONLY IF A C7400 ENTHALPY SENSOR
IS ADDED TO S
R
AND + FOR DIFFERENTIAL ENTHALPY.
FOR T7300 ONLY.
M3865B
T7300 OR T874
THERMOSTAT
X
D
D
6
X
1
3
4
5
2
2K
S
C7400
OUTDOOR
SENSOR
1
1
2
3
4
TR TR1
S
O
S
R
+
+
T
M8405 ACTUATOR
W7459C ECONOMIZER PACKAGE
+
C
G
W1
Y1
Y2
R
W2
W
R
S
C7400
RETURN
SENSOR
+
RC
G
X
W1
Y1
Y2
W2
RH
T675/T6031 MIXED
AIR CONTROL
55¡ F SETPOINT
T6031 AMBIENT
LOCKOUT CONTROL
50¡ F SETPOINT
UNOCCUPIED
OCCUPIED
ST6008
TIMER
3
2
5
1K
4
5
6
6
MAX
SW
SET
MIN
X