User's Manual

Table Of Contents
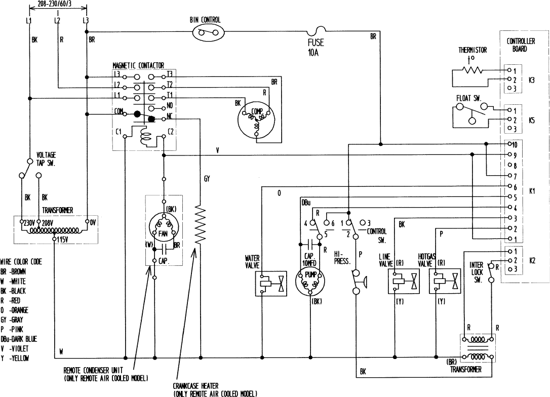
34
[d] KM-1300SRH3
Note: Pressure Switch
Cut-out 412 PSIG
Cut-in 327 ± 21.3 PSIG
+21.3
0