NonStop NS-Series Planning Guide (H06.04+)
Table Of Contents
- What’s New in This Manual
- About This Manual
- 1 System Hardware Overview
- 2 Installation Facility Guidelines
- 3 System Installation Specifications
- 4 Integrity NonStop NSSeries System Description
- NonStop System Primer
- NonStop Advanced Architecture
- NonStop Blade Complex
- Processor Element
- Duplex Processor
- Triplex Processor
- Processor Synchronization and Rendezvous
- Memory Reintegration
- Failure Recovery for Duplex Processor
- Failure Recovery for Triplex Processor
- ServerNet Fabric I/O
- System Architecture
- Modular Hardware
- NonStop S-Series I/O Hardware
- System Models
- Default Startup Characteristics
- Migration Considerations
- System Installation Document Packet
- 5 Modular System Hardware
- Modular Hardware Components
- Cabinets
- AC Power PDUs
- Modular Cabinet PDU Keepout Panel
- NonStop Blade Element
- Logical Synchronization Unit (LSU)
- LSU Indicator LEDs
- Processor Switch
- P-Switch Indicator LEDs
- Processor Numbering
- I/O Adapter Module (IOAM) Enclosure and I/O Adapters
- Fibre Channel Disk Module
- Tape Drive and Interface Hardware
- Maintenance Switch (Ethernet)
- Optional UPS and ERM
- System Console
- Enterprise Storage System
- Component Location and Identification
- NonStop S-Series I/O Enclosures
- Modular Hardware Components
- 6 System Configuration Guidelines
- Enclosure Locations in Cabinets
- Internal ServerNet Interconnect Cabling
- Cable Labeling
- Cable Management System
- Internal Interconnect Cables
- Dedicated Service LAN Cables
- Cable Length Restrictions
- Internal Cable Part Numbers
- NonStop Blade Elements to LSUs
- NonStop Blade Element to NonStop Blade Element
- LSUs to Processor Switches and Processor IDs
- Processor Switch ServerNet Connections
- Processor Switches to IOAM Enclosures
- FCSA to Fibre Channel Disk Modules
- FCSA to Tape Devices
- P-Switch to NonStop S-Series I/O Enclosure Cabling
- IOAM Enclosure and Disk Storage Considerations
- Fibre Channel Devices
- G4SAs to Networks
- Default Naming Conventions
- PDU Strapping Configurations
- 7 Example Configurations
- A Cables
- B Control, Configuration, and Maintenance Tools
- Support and Service Library
- System Console
- Maintenance Architecture
- Dedicated Service LAN
- IP Addresses
- Ethernet Cables
- SWAN Concentrator Restriction
- System-Up Dedicated Service LAN
- Dedicated Service LAN Links With One IOAM Enclosure
- Dedicated Service LAN Links to Two IOAM Enclosures
- Dedicated Service LAN Links With IOAM Enclosure and NonStop SSeries I/O Enclosure
- Dedicated Service LAN Links With NonStop S-Series I/O Enclosure
- Initial Configuration for a Dedicated Service LAN
- Operating Configurations for Dedicated Service LANs
- OSM
- System-Down OSM Low-Level Link
- AC Power Monitoring
- AC Power-Fail States
- C Guide to Integrity NonStop NSSeries Server Manuals
- Safety and Compliance
- Index

System Configuration Guidelines
HP Integrity NonStop NS-Series Planning Guide—529567-005
6-14
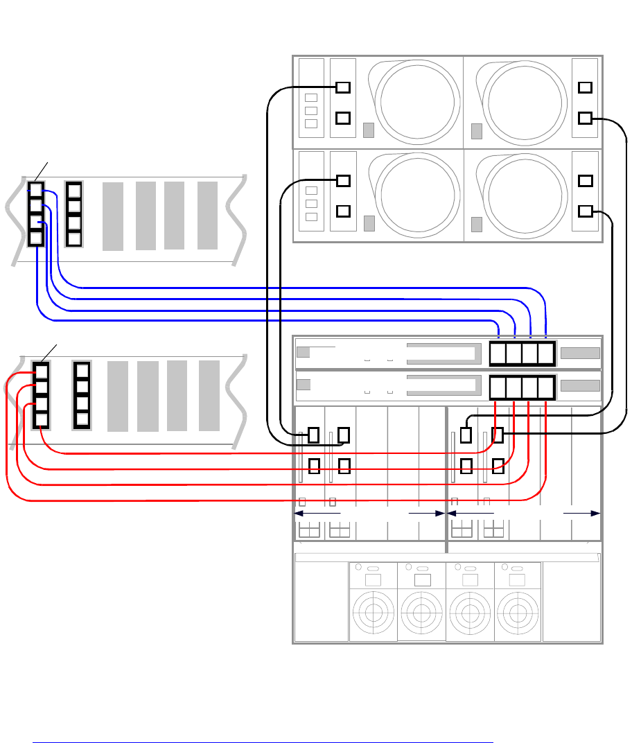
FCSA to Fibre Channel Disk Modules
This illustration shows an example of a fault-tolerant ServerNet configuration
connecting two FCSAs, one in each IOAM module, to a pair of Fibre Channel disk
modules:
FCSA to Fibre Channel Disk Modules
See Example IOAM and Fibre Channel Disk Module Configurations on page 6-23
FCSA to Tape Devices
Fibre Channel tape devices can be connected directly to an FCSA in an IOAM
enclosure.
VST512.vsd
4 5 6 7 8 9
3
2
1
4
3
2
1
4
4 5 6 7 8 9
3
2
1
4
1
2
FCSA
2
FCSA
2
FCSA
1
2
FCSA
Slot 1 Slot 5Slot 4Slot 3Slot 2
Slot 1 Slot 5Slot 4Slot 3Slot 2
B
I / O
1
2
A
I / O
EMU
2
3
2
1
4
1432
1432
IOAM Enclosure
P-Switch
X Fabric
P-Switch
Y Fabric
ServerNet Links
ServerNet Links
Fibre Channel
Links
Fibre Channel
Links
B
I / O
1
2
A
I / OEMU
2
Fibre Channel Disk
Modules
1
1
1
Module 2 Module 3
1
X ServerNet Switch Board
Y ServerNet Switch Board
PIC (slot 4 shown)
PIC (slot 4 shown)










