Hitachi Dynamic Link Manager Software Users Guide for AIX

Table Of Contents
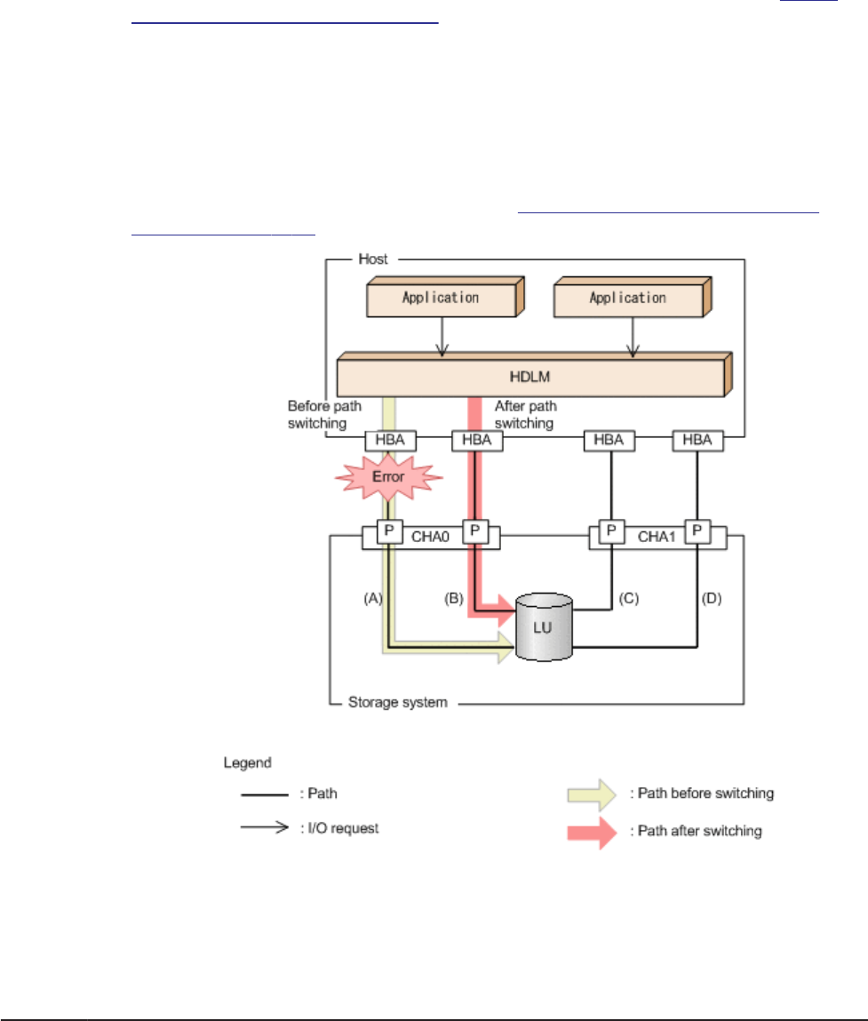
controller of an LU is CHA0, and access to the LU is made via only one path
(A). After that access path (A) is placed offline, the first choice for the
switching destination is the other path connected to CHA0 (B). If an error
also occurs on that path (B), then the next possibility for a path comes from
one of the two paths (C or D) connected to CHA1.
When the Lightning 9900V series, Hitachi USP series, Universal Storage
Platform V/VM series, Virtual Storage Platform series, VSP G1000 series,
Hitachi AMS2000 series
#
, Hitachi SMS series
#
, HUS100 series
#
, or HUS VM is
being used, all the paths are owner paths. This means all the paths accessing
the same LU can be possible switching destinations. For example, in
Figure
2-8 Path switching on page 2-15, the LU is accessed using only the path (A).
After the access path is placed offline, the switching destination is one of the
paths (B), (C), and (D).
#
This storage system applies when the dynamic I/O path control function is
disabled.
For details on the priority for determining which of the paths to the same LU
is used as the switching destination, see Priority of Switching Destination
Paths on page 2-16.
Figure 2-8 Path switching
HDLM Functions
2-15
Hitachi Dynamic Link Manager (for AIX) User Guide