HP XP P9000 Storage Replcation Adapter 2.0 Administrative Guide

Table Of Contents
mode, User and Password for the array must be entered on the Add Array Manager GUI (see
“Configuring SRM and HP XP P9000 disk array” (page 29)).
NOTE: Executing RMSRA20 over Telnet does not work if the RAID Manager instance in running
on Windows, because Windows does not have a Telnet server. Instead, use the VCD configuration
with Windows. For information on setting up and using VCD, see the RAID Manager User Guide.
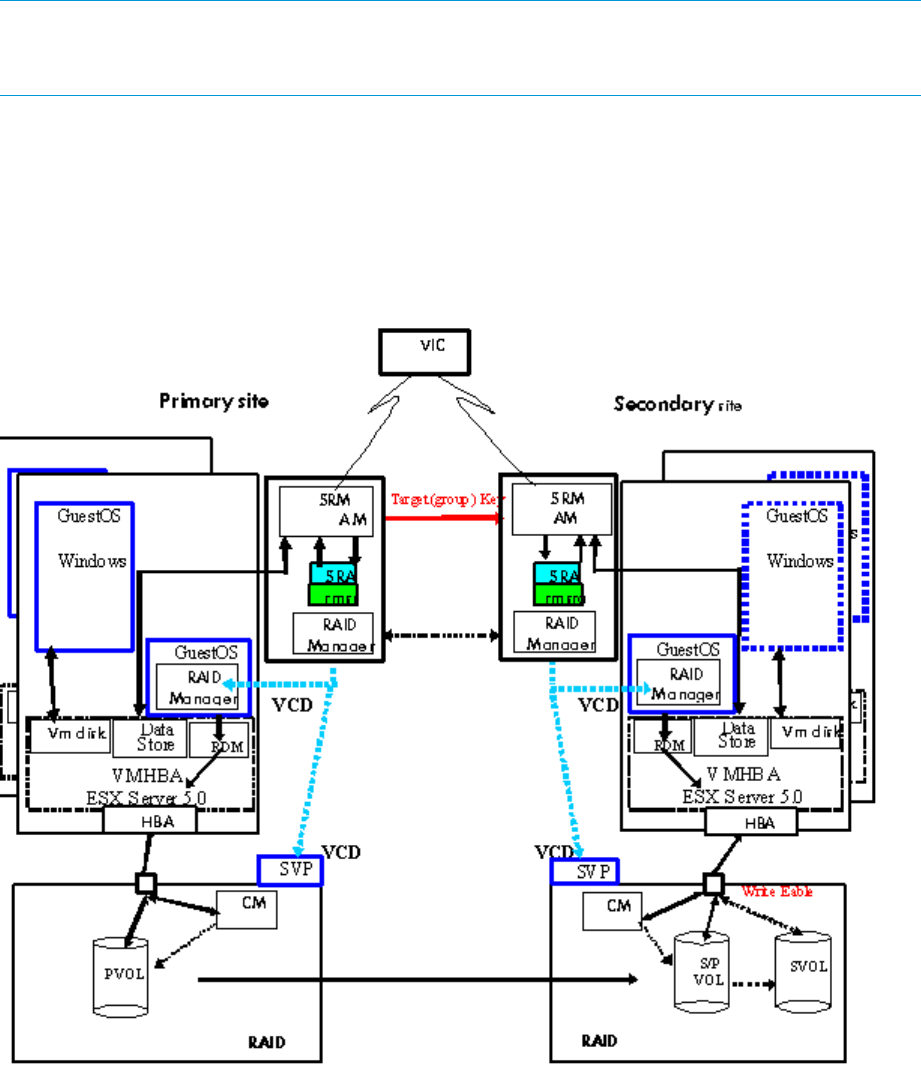
RAID Manager local configuration using VCD
Both VC and RMSRA20 are configured on Windows 2003. RAID Manager is configured via RDM
on either Linux, solaris/x86, Windows, or VM. Figure 3 (page 11) shows a local configuration
using Virual Command Device (VCD). For more information on VCD, see the HP XP P9000 Raid
Manager User Guide.
Figure 3 RMSRA20 local configuration using VCD
RMSRA20 is configured by SRA command.pl as interface adapter and RMSRA20 commands.
In local connection, SRA command.pl calls only RMSRA20 commands. If P9500 SVP or
Authentication command device is used as VCD, user and password for the array must be entered
on the Add Array Manager GUI (see “Configuring SRM and HP XP P9000 disk array” (page 29))
RMSRA20 remote configuration using Telnet
The configuration in Figure 4 (page 12) is an example of a configured RMSRA20 using remote a
connection on a Windows machine. Both VC and RMSRA20 are configured on Windows 2003.
The RAID Manager is configured on either Linux, HP-UX, AIX, Solaris, or Solaris/x86.
RMSRA20 configurations 11