HP StorageWorks External Storage XP user guide (T1706-96006, June 2006)
Table Of Contents
- HP StorageWorks External Storage XP user guide
- Contents
- About this guide
- 1 Overview of connecting external arrays
- 2 Preparing for External Storage XP operations
- System requirements
- External Storage XP requirements
- Installing External Storage XP
- Preparing for External Storage XP settings
- Powering arrays on or off
- Using mapped external LUs from the host connected to the local array
- Uninstalling External Storage XP
- Limitations on External Storage XP operations
- Figure 11 Example of external LU with 2 TB or less
- Figure 12 External LU capacity is larger than the specified emulation type’s basic capacity (OPEN-3 example)
- Figure 13 External LU capacity is smaller than the specified emulation type’s basic capacity
- Table 4 When external LU’s emulation type is OPEN
- Table 5 When external LU’s emulation type is for mainframes
- Combining External Storage XP with other HP StorageWorks products
- 3 Managing cache with external storage
- Guidelines for using cache with external storage
- Determining, setting, or changing the external LU cache mode
- Partitioning cache for external storage
- Determining the number and size of needed partitions
- Creating Cache partitions
- Changing storage system modes
- 4 External Storage XP panes
- 5 Configuring external LUs
- Overview of configuring external LUs
- Setting an external array’s port
- Setting a local array’s port attributes
- Mapping external LUs (Add LU)
- Setting alternate paths for external LUs
- Adding alternate paths by selecting multiple external LUs (Add Paths)
- Deleting alternate paths by selecting multiple external LUs (Delete Paths)
- Checking an external LU’s status (LDEV Information)
- Disconnecting external arrays or LUs
- Checking the connection status and resuming external LU operations (Check Paths & Restore Vol.)
- Restoring external LUs (LDEV Restore)
- Stopping the use of paths to an external LU by specifying an external array’s WWN (Disconnect Paths)
- Restoring paths to an external LU by specifying an external array’s WWN (Check Paths)
- Changing an external array’s port setting
- Stopping the use of paths to an external LU by specifying a local array’s port (Disconnect Paths)
- Restoring paths to an external LU by specifying a local array’s port (Check Paths)
- Deleting external LU mappings (Delete LU)
- 6 Troubleshooting NAS Blade systems that include external arrays
- 7 Remote command devices
- 8 Troubleshooting External Storage XP
- A Notes on connecting external arrays
- Connecting Thunder 9500V subsystems
- System parameters for connecting Thunder 9500V subsystems
- Relationship between serial numbers in the Device list on the LU Operation pane and Thunder 9500V subsystem models
- Relationship between the WWN of the port on the Thunder 9500V subsystem and the controller
- Path status and examples of recovery procedures (Thunder 9500V subsystems)
- Connecting TagmaStore AMS and TagmaStore WMS subsystems
- System parameters for connecting TagmaStore AMS and TagmaStore WMS subsystems
- Relationship between serial numbers in the Device list on the LU Operation pane and TagmaStore AMS and TagmaStore WMS subsystem models
- Relationship between the WWN of the port on the TagmaStore AMS or TagmaStore WMS subsystem and the controller
- Path status and examples of recovery procedures (TagmaStore AMS and TagmaStore WMS subsystems)
- Connecting XP12000/XP10000 Disk Arrays
- Connecting XP1024/XP128 Disk Arrays
- Connecting XP512/XP48 Disk Arrays
- Connecting HP 200 Storage Virtualization System as external storage
- Connecting EVA arrays
- Connecting Thunder 9500V subsystems
- B Required volume capacity for emulation types
- C Adjusting volume capacity for copy pair setting
- D Using an XP12000/XP10000/SVS200 with an EVA3000/5000 external storage
- E Configuring MSA1000/1500 as external arrays
- Index

External Storage XP user guide 147
D Using an XP12000/XP10000/SVS200 with an
EVA3000/5000 external storage
Preface
This appendix describes the procedure and relevant recommendations for configuring HP StorageWorks
XP12000/XP10000/SVS200 and EVA3000/5000 Disk Arrays where the EVA is used as a highly
available external storage array.
The XP firmware version and external firmware version must be compatible. Consult your HP account
support representative for the latest firmware version required.
Configuration
Physical array connections
The XP12000/XP10000/SVS200 can use multiple Fibre Channel connections to an attached EVA. The
two XP12000/XP10000/SVS200-EVA configuration examples in the following sections—minimum and
expanded—are designed with Fibre Channel switches to maximize the ability of separate hosts to directly
use the EVA in addition to the XP12000/XP10000/SVS200. This also allows for connecting hosts to the
EVA that run software applications such as HP StorageWorks Command View EVA and System Insight
Manager so the EVA can be managed in-band as well as monitoring its operational status. The
XP12000/XP10000/SVS200 does not forward detailed SIM (status) messages the EVA generates during
operation. Monitoring all EVAs must be done by a host connected in-band to the EVA via a Fibre
Channel.
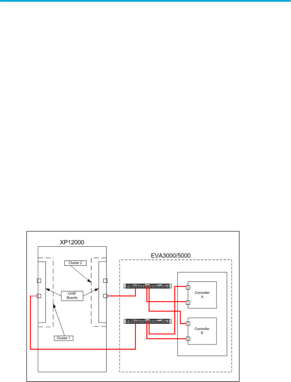
Minimum physical configuration for HA
For highly available (HA) functionality to be possible, each EVA controller must be connected to the
XP12000/XP10000/SVS200 so there is at least one fiber channel path from each
XP12000/XP10000/SVS200 cluster to one of the separate EVA controllers through their respective Fibre
Channel switch connections. Figure 73 illustrates this connection.
Figure 73 XP12000/XP10000/SVS200-EVA minimum connections for HA
This configuration allows the XP12000/XP10000/SVS200 to execute basic failover and failback
operations with the EVA array subordinated. Unlike the MSA series of arrays, the EVA allows access to










