Hitachi Dynamic Link Manager Software Users Guide for AIX
Table Of Contents
- (for AIX) User Guide
- Contents
- Preface
- Overview of HDLM
- HDLM Functions
- Devices Managed by HDLM
- System Configuration
- LU Configuration
- Program Configuration
- Position of the HDLM Driver and hdisk
- Distributing a Load Using Load Balancing
- Performing Failovers and Failbacks Using Path Switching
- Monitoring intermittent errors (functionality when automatic failback is used)
- Detecting errors by using path health checking
- Distributing a Load by Using the Dynamic I/O Path Control Function
- Error management
- Collecting Audit Log Data
- Integrated HDLM management using Global Link Manager
- Cluster support
- Creating an HDLM Environment
- HDLM System Requirements
- Flow for Creating an HDLM Environment
- Types of HDLM Installation
- Notes on Creating an HDLM Environment
- Notes on Installing HDLM
- Notes on an Upgrade Installation or Re-installation of HDLM
- Notes on the Virtual I/O Server
- Notes on the License Key and License Key File
- Notes on Trace Files
- Notes on Storage Systems
- Notes on the Cluster
- Notes on the Automatic Failback
- Notes on the queue_depth Parameter Value for an HDLM-Managed device
- Installing HDLM
- Available Installation Methods
- Preparations for a New Installation of HDLM
- Performing a New Installation of HDLM
- Preparations for an Upgrade Installation or Re-installation of HDLM
- Performing an Upgrade Installation or Re-installation of HDLM
- Installing HDLM to the SPOT of a NIM resource
- Migrating from HDLM Version 5.8.1 or Earlier to Version 5.9 or Later
- Installing HDLM in a PowerHA 6.1 Environment
- Installing HDLM in an Environment Running PowerHA 7.1 or a Later Version
- Performing an Unattended Installation of HDLM
- Checking the Path Configuration
- Setting up HDLM
- Setting up Integrated Traces
- Notes on Using the Hitachi Network Objectplaza Trace Library
- Displaying the Hitachi Network Objectplaza Trace Library setup menu
- Changing the Size of Integrated Trace Files
- Changing the Number of Integrated Trace Files
- Changing the Buffer Size Per Monitoring Interval Duration
- Adjusting the Number of Messages to be Output Per Monitoring Interval
- Finishing the Hitachi Network Objectplaza Trace Library Settings
- Applying the Hitachi Network Objectplaza Trace Library Settings
- About the Reservation Policy
- Settings for Using PowerHA
- Settings for Using GPFS
- Settings for Using Oracle RAC 10g or Oracle RAC 11g
- Settings for Using VCS
- Removing HDLM
- HDLM Operation
- Notes on Using HDLM
- Displaying Path Information
- When a Path Error Is Detected
- Storage System
- Notes on Shutting Down a Host
- Notes on Errors in a Host
- Notes on Enabling Both Primary and Secondary Volumes to Be Viewed From the Same Server
- Notes on an LVM Mirror Configuration
- Notes on When the OS Functionality in Not Available in a Boot Disk Environment
- Notes on Replicating a System
- HDLM Operations Using Commands
- Notes on Using Commands
- Viewing Path Information
- Changing the Status of Paths
- Viewing LU Information
- Displaying the Correspondences Between hdisks, OS Management Path IDs, and LDEVs
- Initializing Statistical Information for Paths
- Viewing and Setting Up the Operating Environment
- Viewing License Information
- Updating the License
- Viewing HDLM Version Information
- Viewing HDLM Component Information
- Starting and Stopping the HDLM Manager
- HDLM Resident Processes
- Changing the Configuration of the HDLM Operating Environment
- Notes on Using HDLM
- Troubleshooting
- Command Reference
- Overview of the HDLM Command dlnkmgr
- clear (Returns the Path Statistics to the Initial Value)
- help (Displays the Operation Format)
- offline (Places Paths Offline)
- online (Places Paths Online)
- set (Sets Up the Operating Environment)
- view (Displays Information)
- add (Adds a Path Dynamically)
- delete (Deletes a Path Dynamically)
- Utility Reference
- Overview of the Utilities
- DLMgetras Utility for Collecting HDLM Error Information
- dlmchpdattr Utility for Changing HDLM Default Settings
- dlmgetrasinst Utility for Collecting HDLM Installation Error Information
- dlminstcomp Utility for HDLM Component Installation
- dlmmigsts Utility for Assisting HDLM Migration
- dlmodmset Utility for Setting the HDLM Execution Environment ODM
- dlmpostrestore Utility for HDLM Restoration Support
- dlmpr Utility for Clearing HDLM Persistent Reservation
- dlmpremkcd Utility for Preparing for a System Backup
- dlmpreremove Utility for Executed Before Removing HDLM
- dlmrmdev Utility for Deleting HDLM Drivers
- dlmrmprshkey Utility for Clearing HDLM Persistent Reservation (Shared-Host Methodology)
- installhdlm Utility for Installing HDLM
- installux.sh Utility for HDLM Common Installer
- Messages
- Before Viewing the List of Messages
- KAPL01001 to KAPL02000
- KAPL03001 to KAPL04000
- KAPL04001 to KAPL05000
- KAPL05001 to KAPL06000
- KAPL06001 to KAPL07000
- KAPL07001 to KAPL08000
- KAPL08001 to KAPL09000
- KAPL09001 to KAPL10000
- KAPL10001 to KAPL11000
- KAPL11001 to KAPL12000
- KAPL13001 to KAPL14000
- KAPL15001 to KAPL16000
- Return Codes for Hitachi Command Suite Common Agent Component
- Functional Differences Between Versions of HDLM
- Differences Between HDLM Version 5.9 or Later and Version 5.8.1 or Earlier
- Add-in HDLM Driver Module
- Simplifying the HDLM Environment Configuration and Operation Procedures by Changes to the Logical Device Files
- Changing the HDLM Environment Configuration and Operation Procedures by Changes to the Logical Device Files
- Migrating Reservation Control Settings
- Support for a Boot Disk Environment
- About Settings when Upgrading the OS
- Changing a Virtual I/O Server's Method of Recognizing Virtual SCSI Disks
- Acronyms and abbreviations
- Glossary
- Index

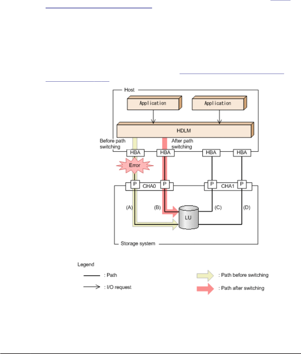
controller of an LU is CHA0, and access to the LU is made via only one path
(A). After that access path (A) is placed offline, the first choice for the
switching destination is the other path connected to CHA0 (B). If an error
also occurs on that path (B), then the next possibility for a path comes from
one of the two paths (C or D) connected to CHA1.
When the Lightning 9900V series, Hitachi USP series, Universal Storage
Platform V/VM series, Virtual Storage Platform series, VSP G1000 series,
Hitachi AMS2000 series
#
, Hitachi SMS series
#
, HUS100 series
#
, or HUS VM is
being used, all the paths are owner paths. This means all the paths accessing
the same LU can be possible switching destinations. For example, in
Figure
2-8 Path switching on page 2-15, the LU is accessed using only the path (A).
After the access path is placed offline, the switching destination is one of the
paths (B), (C), and (D).
#
This storage system applies when the dynamic I/O path control function is
disabled.
For details on the priority for determining which of the paths to the same LU
is used as the switching destination, see Priority of Switching Destination
Paths on page 2-16.
Figure 2-8 Path switching
HDLM Functions
2-15
Hitachi Dynamic Link Manager (for AIX) User Guide










