User's Manual
Table Of Contents
- Setting Up Your Computer
- Preparing to Use Your Computer
- Turning Off the Computer
- Restarting the Computer
- Connecting to the Internet
- Adjusting the Speaker Volume
- Selecting the Microphone
- Protecting Your Computer
- Configuring the Computer for Automatic Microsoft Software Updates
- Setting Up User Accounts
- Guidelines for Installing Software and Hardware Devices
- Transferring Files and Settings from an Old Computer to Your New Computer
- Special Features of Your Computer
- Getting More Information
- Troubleshooting and Maintenance
- Index

Setting Up Your Computer 11
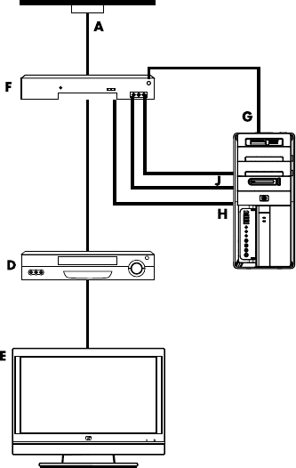
Connecting the TV signal source with a set-top box and using S-video or
composite video cable
To use video output from the set-top box (F),
add the cables to route video and audio to the
computer:
Do not detach any cables from the
existing setup.
Connect an S-video cable (or you can
use an S-video-to-composite cable
adapter) to the S-Video In connector (H)
on the computer.
Connect audio cables to the Audio In
right (red) and left (white) connectors (J)
on the computer.
Connect the remote control cable/IR
blaster (select models only) (G) to the
IR OUT connector on the computer, and
then position the blaster on the set-top
box. This enables the computer to
change the channel on the box. See
“Using an infrared receiver (IR) blaster”
on page 12 for blaster placement
details.
Callouts
A TV signal cable (coaxial) wall outlet (from
antenna or cable)
B Splitter
C Computer coaxial TV In connector
D Video recorder
E TV
F Set-top box/satellite box
G Remote control IR blaster cable (select models only)
H Computer S-video In connector
J Computer right and left Audio In (analog) connectors










