Software User Manual
Table Of Contents
- HP StorageWorks External Storage XP user guide
- Contents
- About this guide
- 1 Overview of connecting external arrays
- 2 Preparing for External Storage XP operations
- System requirements
- External Storage XP requirements
- Installing External Storage XP
- Preparing for External Storage XP settings
- Powering arrays on or off
- Using mapped external LUs from the host connected to the local array
- Uninstalling External Storage XP
- Limitations on External Storage XP operations
- Figure 11 Example of external LU with 2 TB or less
- Figure 12 External LU capacity is larger than the specified emulation type’s basic capacity (OPEN-3 example)
- Figure 13 External LU capacity is smaller than the specified emulation type’s basic capacity
- Table 4 When external LU’s emulation type is OPEN
- Table 5 When external LU’s emulation type is for mainframes
- Combining External Storage XP with other HP StorageWorks products
- 3 Managing cache with external storage
- Guidelines for using cache with external storage
- Determining, setting, or changing the external LU cache mode
- Partitioning cache for external storage
- Determining the number and size of needed partitions
- Creating Cache partitions
- Changing storage system modes
- 4 External Storage XP panes
- 5 Configuring external LUs
- Overview of configuring external LUs
- Setting an external array’s port
- Setting a local array’s port attributes
- Mapping external LUs (Add LU)
- Setting alternate paths for external LUs
- Adding alternate paths by selecting multiple external LUs (Add Paths)
- Deleting alternate paths by selecting multiple external LUs (Delete Paths)
- Checking an external LU’s status (LDEV Information)
- Disconnecting external arrays or LUs
- Checking the connection status and resuming external LU operations (Check Paths & Restore Vol.)
- Restoring external LUs (LDEV Restore)
- Stopping the use of paths to an external LU by specifying an external array’s WWN (Disconnect Paths)
- Restoring paths to an external LU by specifying an external array’s WWN (Check Paths)
- Changing an external array’s port setting
- Stopping the use of paths to an external LU by specifying a local array’s port (Disconnect Paths)
- Restoring paths to an external LU by specifying a local array’s port (Check Paths)
- Deleting external LU mappings (Delete LU)
- 6 Troubleshooting NAS Blade systems that include external arrays
- 7 Remote command devices
- 8 Troubleshooting External Storage XP
- A Notes on connecting external arrays
- Connecting Thunder 9500V subsystems
- System parameters for connecting Thunder 9500V subsystems
- Relationship between serial numbers in the Device list on the LU Operation pane and Thunder 9500V subsystem models
- Relationship between the WWN of the port on the Thunder 9500V subsystem and the controller
- Path status and examples of recovery procedures (Thunder 9500V subsystems)
- Connecting TagmaStore AMS and TagmaStore WMS subsystems
- System parameters for connecting TagmaStore AMS and TagmaStore WMS subsystems
- Relationship between serial numbers in the Device list on the LU Operation pane and TagmaStore AMS and TagmaStore WMS subsystem models
- Relationship between the WWN of the port on the TagmaStore AMS or TagmaStore WMS subsystem and the controller
- Path status and examples of recovery procedures (TagmaStore AMS and TagmaStore WMS subsystems)
- Connecting XP12000/XP10000 Disk Arrays
- Connecting XP1024/XP128 Disk Arrays
- Connecting XP512/XP48 Disk Arrays
- Connecting HP 200 Storage Virtualization System as external storage
- Connecting EVA arrays
- Connecting Thunder 9500V subsystems
- B Required volume capacity for emulation types
- C Adjusting volume capacity for copy pair setting
- D Using an XP12000/XP10000/SVS200 with an EVA3000/5000 external storage
- E Configuring MSA1000/1500 as external arrays
- Index

External Storage XP user guide 115
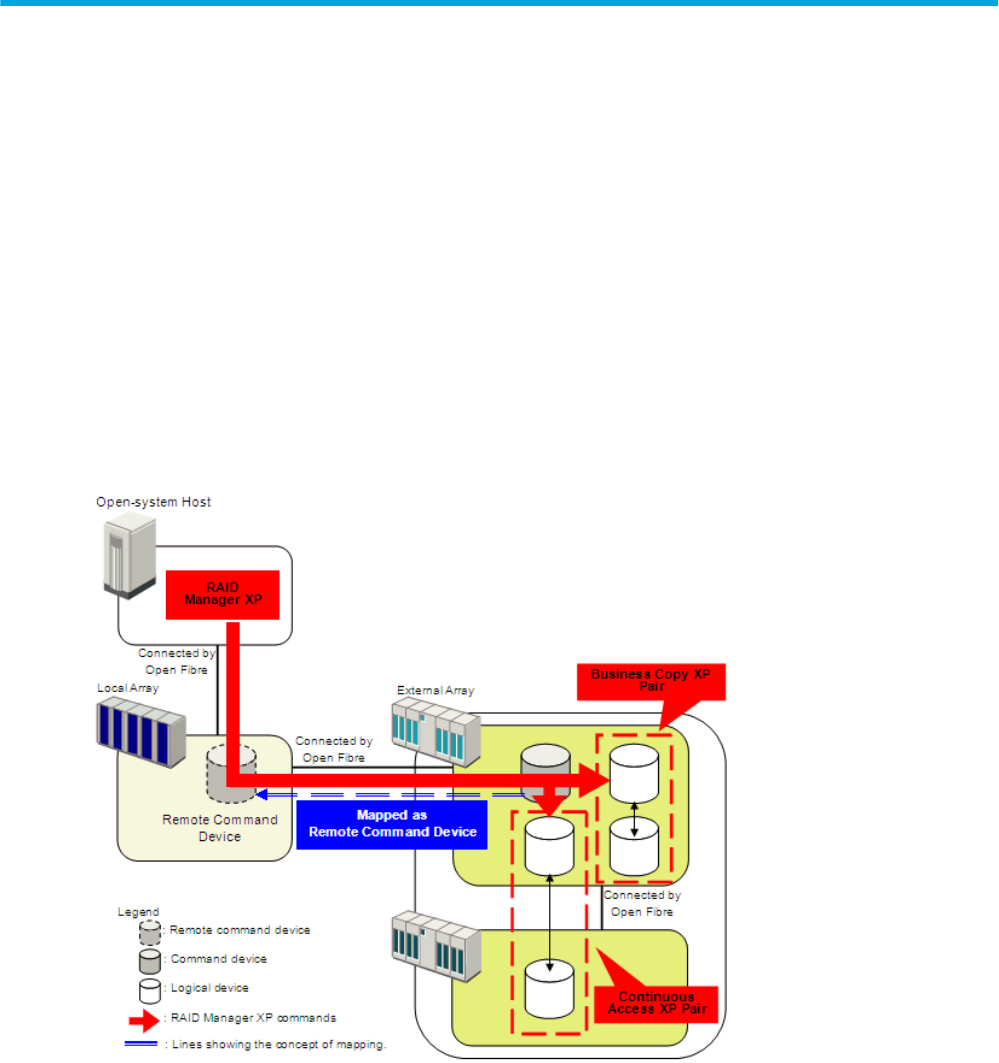
7 Remote command devices
This chapter describes remote command devices.
Overview of remote command devices
A remote command device is a device in the local array to which a command device in the external array
is mapped.
As you send RAID Manager XP commands to a remote command device located in the local array, you
can execute those commands on the external array’s command device to manage pairs in the external
array.
Figure 65 shows an example. The OPEN host connected to the local array sends RAID Manager XP
commands for Business Copy XP or Continuous Access XP to the remote command device. This means
commands are forwarded to the command device in the external array to operate Business Copy XP or
Continuous Access XP pairs in the external array.
For more information about RAID Manager XP and command devices, see the HP StorageWorks RAID
Manager XP User’s Guide.
Figure 65 Overview of remote command device
Notices about remote command devices
• You can map command devices as remote command devices when one of the following arrays is
connected as an external array:
• XP12000 Disk Array
• XP10000 Disk Array
• HP 200 Storage Virtualization System
• XP1024/XP128 Disk Array
• TagmaStore™ Universal Storage Platform subsystem
• TagmaStore™ Network Storage Controller subsystem
• TagmaStore™ Adaptable Modular Storage subsystem










