- Roland Engraveing Machine User's Manual
105
Chapter 6 - Detailed Description of Functions
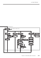
6-3. Menu Flowchart
Select File
Int.
File name
Edit New File?
Yes No
Select File
Int.
File name
OPTIONAL ORIGIN
No.2
X 0 Y 0
Z 0 8000RPM
Save Sequence?
Yes No Cancel
Select File
Int.
File name
X 0 Y 0
Z 0 Dest.
BREAK POINT
<ENABLE> DISABLE
STEP RUN
<OFF> ON
LABEL SELECT
<OFF> ON
I LEVEL R LEVEL
< 0 > < 0 >
(Sequence editing screen)
RUN DELETE
EDIT SETTING
Select File
Int.
File name
Select Label
-->
Label name
(Execute sequence)
TEACHING menu
RUN DELETE EDIT SETTING
LABEL SELECT: ON
OFF
Edit New File?: No
Yes
X 0 Y 0
Z 0 8000RPM
Cursor menu
Press and hold
Overwrite File?
Yes No
Yes
Yes
No
No
Cancel
<<Return to Main menu>>
Are You Sure?
Yes No










