Instruction Manual

5-67
X16
X17
24V DC
When not using the start switch for the
start input of partial stop
(Auto start)
When not detecting the welding of start
switch for partial stop
(Manual start)
When detecting the welding of start
switch for partial stop
(Control start)
X0
X1
T0
T1
X10
T10
X11
T11
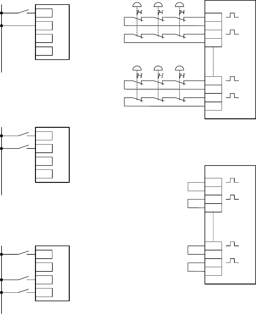
When connecting multiple emergency stop switches in
series
X0
X1
T0
T1
X10
T10
X11
T11
When not using some safety inputs
X12
X13
S6
X16
X17
24V DC
X12
X13
S6
S7
X16
X17
24V DC
X12
X13
S6
S7
S8
NOTE: Applicable safety performance is dependent
upon system configuration.
Note: In the case of using a spring lock type safety switch for the safety input of SafetyOne, if
the solenoid output of SafetyOne is connected to the solenoid power terminal of the safety
swich directly, the start condition cannot be established due to the safety input being in the OFF
state. In this case, connect the switch or other equipment to solenoid output of SafetyOne, and
perform the OFF operation of solenoid for lock control.










