Instruction Manual

5-72
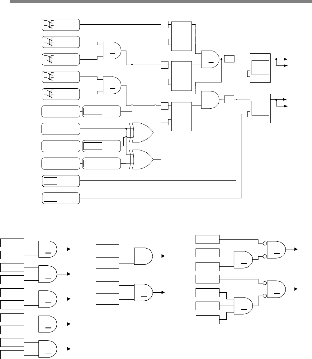
Logic circuit (Logic 8)
OS1
S3
&
&
&
&
OS2
S1
T0, X0, T1, X1
T2, X2, T3, X3
T4, X4, T5, X5
T6, X6, T7, X7
X1 2
T10, X10, T 11, X11
T14, X1 4
T15, X1 5
X1 3
X1 6
Safety input
1
Start input 1
Safety input 5
Safety input 4
Safety input 3
Safety input 2
Start input 2
Start input 3
External device
monitor 2
External device
monitor 1
X1 7
Start input
4
Dual Channel
Direct Opening
Dual Channel
Direct Opening
Dual Channel
Direct Opening
Dual Channel
Direct Opening
Dual Channel
Direct Opening
Single Channel
Monitor
Single Channel
Monitor
Single Channel
Monitor
Ex te r n a l De v ic e
Monitor
EDM
Ex te r n a l De v ic e
Monitor
EDM
Single Channel
Monitor
Control
Start
Control
Control
Start
Control
Control
Start
Control
Self-hold function
circuit 1
Hold
Trigger
Self-hold
function
Self-hold function
circuit 2
Self-hold function
circuit 3
Hold
Trigger
Self-hold
function
Hold
Trigger
Self-hold
function
S2
Hold
EDM
OSSD
with
Off de lay
Hold
EDM
OSSD
with
Off de lay
Y0
Y1
Y2
Y3
Output Function-1
Output Function-2
Safety output 1
=2k+1
=2k+1
●Monitor output for safety input ●Monitor output for safety output ●Solenoid output
(Note2)
OS1
OS1
Y12
Y13
X1
X0
Y4
X3
X2
Y5
X5
X4
Y6
X7
X6
Y7
X1 1
X1 0
Y10
Y0,Y1
Y2,Y3
Monitor for
safety input 1
Monitor for
safety input 2
Monitor for
safety input 3
Monitor for
safety input 4
Monitor for
safety input 5
Monitor for
safety output 1
Note1:
Monitoring outputs for safety output 1
and 2 are turned OFF immediately
independent of preset OF F-delay time.
Note2:
In the Run state, when the safety
outputs are OFF and 1 or more
corresponding safety inputs are OFF,
the solenoid outputs are turned ON.
When all corresponding safety inputs are
ON, the solenoid outputs are turned
OFF without the ON signal of the start
input.
(Note1)
&
&
&
&
&
&
&
Monitor for
safety output 2
(Note1)
Y0,Y1
&
S1
S2
Y17
&
&
S1
Y2,Y3
S2
Y20
&
S3










