Instruction Manual

2-7
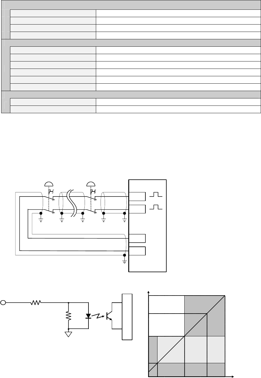
Safety input specifications
Drive terminal specifications (T0, T1, T2, T3, T4, T5, T6, T7, T10, T11, T12, T13, T14, T15)
Rated drive voltage Power supply voltage
Minimum drive voltage Power supply voltage – 2.0V
Number of drive terminals 14
Maximum drive current 20mA per port (at 28.8V DC)
Note1
Receive terminal specifications (X0, X1, X2, X3, X4, X5, X6, X7, X10, X11, X12, X13, X14, X15)
Rated input voltage 24V DC
Input ON voltage 15.0V DC to 28.8V DC
Input OFF voltage Open or 0V DC to 5.0V DC
Number of receive terminals 14
Rated input current 10mA per port (at rated voltage)
Type of input Sink type input (for PNP output), Type 1(IEC/EN 61131-2)
Wiring specifications
Cable length
Note2
100m maximum (total wiring length per 1 input)
Allowable wiring resistance 300 maximum
Note1. The drive port generates check pulses in order to diagnose input devices and internal
circuits. (Wiring and the diagnostic function are different depending on the logic selected.
See “Chapter 5 LOGIC” for details. But the basic function is same.)
Note2. For cables longer than 30m between SafetyOne and connected devices, or wiring drive
terminals and receive terminals separately, use grounded shielded cables to assure
electromagnetic compatibility.
T
n
T
n+1
X
n+1
X
n
SafetyOne
In case of multiple safety input devices are connected
・・・
・・・・・・
Safety input equivalent circuit Safety input operating range
X
n
Internal Circuit
2.2kΩ
V-
Voltage(V)
Current
(mA)
28.8
24
15
5
1 6 10 12
ON area
Transition area
OFF area










