Instruction Manual

5-17
X12
T12
X13
T13
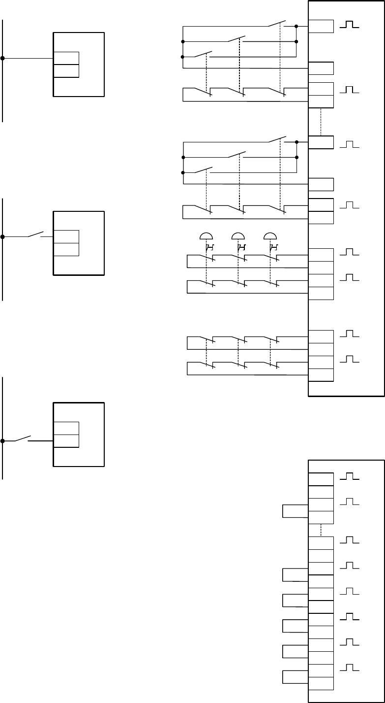
When connecting multiple components in
series
X10
X11
T10
T11
X6
T6
X7
T7
X0
X1
T0
T1
X0
X1
T0
T1
X6
T6
X7
T7
When not using some safety inputs
X16
X17
24V DC
When not using the start switch
(Auto start)
X16
X17
24V DC
When not detecting the welding of start
switch
(Manual start)
X16
X17
24V DC
When detecting the welding of start
switch
(Control start)
S7
S7
NOTE: Applicable safety performance is dependent
on each system configuration.
X10
X11
T10
T11
X12
T12
X13
T13
Note: In the case of using a spring lock safety switch for
the safety input of SafetyOne, if solenoid output of
SafetyOne is connected to solenoid power terminal of the
safety switch directly, the start condition cannot be
established due to the safety input stays in the OFF state.
In this case, connect the switch or other equipment to the
solenoid output of SafetyOne, and use the OFF operation
of the solenoid for lock control.










