Instruction Manual

5-32
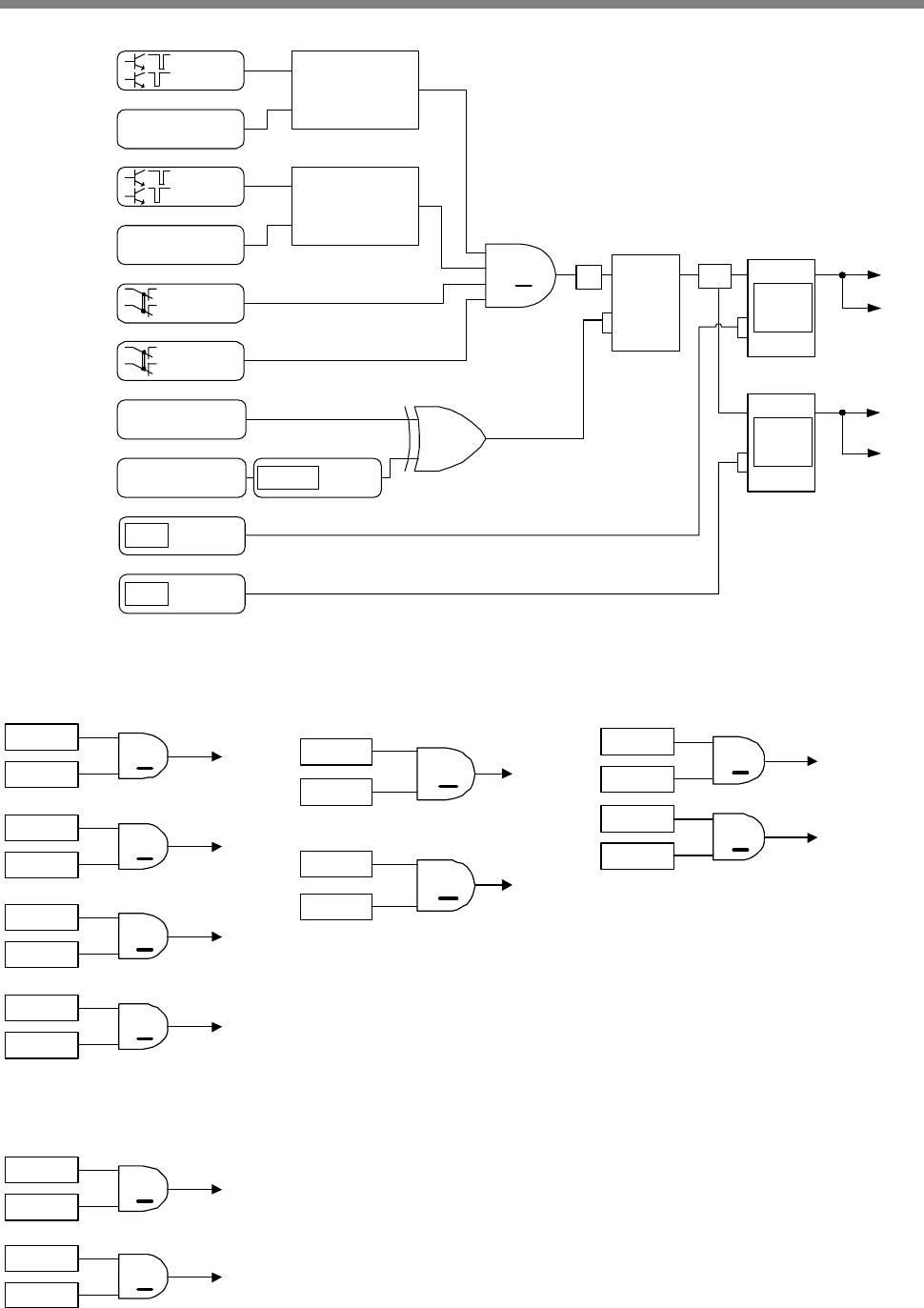
Logic circuit (Logic 4)
S1
OS1
&
X0, X1
X2 , X3
X4 , X5
X6 , X7
T12, X12, T13, X13
T10, X10, T11, X11
T14, X14
T15, X15
X16
X1 7
Safety input 1
Safety input 4
Safety input 3
Muting input 2
Safety input 2
Muting input 1
Start input 1
Start input 2
External device
mo nito r 2
External device
mo nito r 1
Dual Channel
Solid State
Dual Channel
Solid State
Muting input
Muting input
Dual Channel
Direct Opening
Dual Channel
Direct Opening
Single Channel
Monitor
Single Channel
Monitor
External Device
Monitor
EDM
External Device
Monitor
EDM
Control
Start
Control
Muting
function
Safety
Input
Muting
Muting
function
Safety
Input
Muting
Hold
Trigger
Self-hold
function
Hold
EDM
OSSD
with
Off delay
Hold
EDM
OSSD
with
Off delay
Y0
Y1
Y2
Y3
Safety output 1
Safety output 2
=2k+1
X1
X0
X3
X2
Y5
X5
X4
X7
X6
Y7
X1 1
X1 0
X1 3
X1 2
X3
X2
Y17
X7
X6
Y20
Monitor for
muting input 1
Monitor for
muting input 2
(Note2)
The muting lamp outputs are turned ON
when the muting function of the safety
inputs are effective.
Even if the muting inputs are turning
ON, the muting lamp outputs are not
turned ON, when the muting functions
are not effective because the muting
watch time is exceeded and the safety
inputs were turned OFF before turned
ON the muting inputs.
(Note2)
(Note2)
&
&
&
&
&
&
&
&
●Monitor output for safety input ●Monitor output for safety output ●Muting lamp output
Y4
Y5
Y6
Y7
Monitor for
safety input 1
Monitor for
safety input 2
Monitor for
safety input 3
Monitor for
safety input 4
●Monitor output for muting input
OS1
OS1
Y12
Y13
Y0,Y1
Y2,Y3
Monitor for
safety output 1
(Note1)
Monitor outputs for safety output 1 and
2 are turned OFF immediately
independent of set OFF-delay time.
(Note1)
&
&
Monitor for
safety output 2
(Note1)










